[ブロック書き出し]を使用して保存済み回路を挿入する

DWG ファイルとして保存されている回路を再利用します。

回路を保存および挿入するもう 1 つの方法は、AutoCAD の[ブロック書き出し]コマンドを使用して回路をディスクに保存することです。選択した保存済み回路を参照してアクティブな図面に保存するときは、別の[回路を挿入]コマンドを使用します。この方法により、回路を無制限に作成し、ディスクに保存することができます。この[回路を挿入]コマンドを使用すると、回路を簡単に参照および取得できるように、一連の共有サブフォルダに配置することができます。

ブロック書き出しを使用して回路を保存する

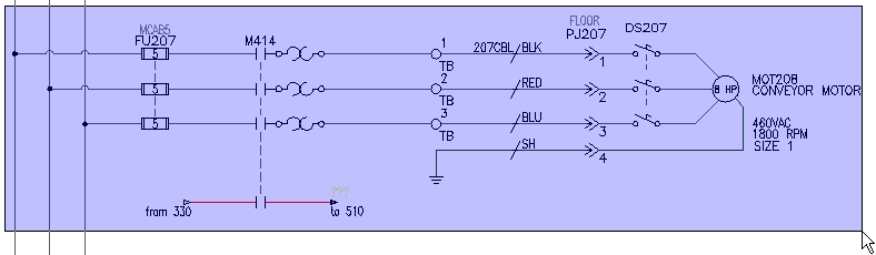
  1. ライン リファレンス 207 ~ 209 の 3 相モーター回路が表示されるように画面移動します。
  2. コマンド ラインで wblock と入力し、[Enter]を押します。
  3. [ブロック書き出し]ダイアログ ボックスで、[挿入基点を指定]をクリックします。
  4. プロンプトに対して、次のように操作します。

    挿入基点を指定:

    ライン リファレンス 207 上で、左側の母線と上の水平線分との交点をクリックします。

  5. [ブロック書き出し]ダイアログ ボックスで、[オブジェクトを選択]をクリックします。
  6. プロンプトに対して、次のように操作します。

    オブジェクトを選択:   回路全体を左上から右下に囲んで窓選択し、右クリックします。

  7. [ブロック書き出し]ダイアログ ボックスで、保存する回路の名前を入力します。図面ファイルが保存される場所を書き留めます。
  8. [OK]をクリックします。

ブロック書き出しした回路を挿入する

  1. [回路図]タブ[コンポーネントを挿入]パネル[回路]ドロップダウン[ブロック書き出しの回路を挿入]の順にクリックします。 検索
  2. [ブロック書き出しの回路を挿入]ダイアログ ボックスで、保存した回路を含むフォルダを参照します。
  3. ブロック書き出しのモーター回路を選択し、[開く]をクリックします。
  4. [回路の尺度]ダイアログ ボックスで、次のように選択します。

    [すべての線分を配線画層に移動]

    [任意の渡り線発側矢印を保持]

    [必要に応じて回路の文字画層を更新]

    [OK]をクリックします。

  5. プロンプトに対して、次のように操作します。

    挿入点を指定:   図面で空白の場所をクリックします。

    [確定]に設定されていない親コンポーネント タグは、挿入点に基づいて自動的に再タグ付けされます。これは、アイコン メニューの方法を使用して回路を挿入する場合の動作に似ています。

  6. 回路を削除します。