既存の回路を移動する

回路を新しい位置に移動し、すべての関連コンポーネントを更新します。

回路を移動すると、回路に含まれるほとんどの親コンポーネントは自動的に再タグ付けされます。これは、コンポーネントがリファレンスベースでタグ付けされるように、図面が設定されているためです。回路の移動処理では、移動したコンポーネントのリファレンス位置を変更します。関連する子コンポーネントは、プロジェクトの他の図面でのリファレンスを含めて新しい親タグに一致するように更新されます。

注: タグ付けの更新は、既定のタグ付け設定によって異なります。

回路のロケーションを移動する

  1. プロジェクト マネージャで AEGS がアクティブなプロジェクトでない場合は、AEGS を右クリックして[アクティブ化]を選択します。
  2. プロジェクト マネージャで AEGS をダブルクリックして、図面リストを展開します。
  3. プロジェクト マネージャの[プロジェクト図面リスト]で、AEGS02.dwg をダブルクリックします。
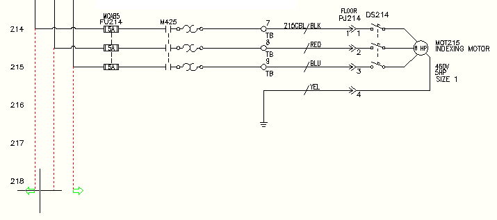
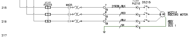
  4. 図面の左下隅を拡大表示します。ライン リファレンス 215 の 3 相モーター回路が表示されていることを確認します。

    この回路には次のコンポーネント タグが含まれます。

    • 「FU215」3 極ヒューズ
    • 「215CBL」マルチコンダクタ ケーブル
    • 「DS215」断路器
    • 「MOT216」モーター
  5. [回路図]タブ[コンポーネントを編集]パネル[回路]ドロップダウン[回路移動]の順にクリックします。 検索
  6. プロンプトに対して、次のように操作します。

    オブジェクトを選択:

    ライン リファレンス 215 上の回路の周囲を窓選択し、垂直母線に結びついている接続配線および交点マークを選択して右クリックします。

    [F9]を押して、SNAP をオンにします。

    基点または移動距離を指定:

    基点を選択してから、ライン リファレンス 214 上の点を選択します。

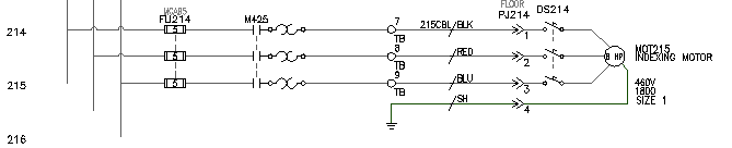
    回路が移動し、影響を受けたコンポーネントは再タグ付けされます。また、クロスリファレンスは、新しいライン リファレンスに従って更新されます。表示される親コンポーネント タグはそれぞれ、1 ずつ減分されます。たとえばヒューズ FU215 は FU214 になります。

  7. [関連コンポーネントを更新しますか]ダイアログ ボックスで、[はい - 更新]をクリックします。

    新しく再タグ付けされた親コンポーネントに一致するように、アクティブな図面上の関連する子リファレンスが更新されます。

  8. [他の図面を更新しますか]ダイアログ ボックスで、[OK]をクリックします。

    他の図面上の関連する子コンポーネントとパネル レイアウトのリファレンスが、移動した回路上の親コンポーネントに一致するように更新されます。

  9. 図面を保存するかどうか尋ねられたら、[OK]をクリックします。
  10. [プロジェクト]タブ[その他のツール]パネル[サーファー]ドロップダウン[サーファー]の順にクリックします。 検索
  11. 図面の FU214 を選択します。

    [サーフ]ダイアログ ボックスに、シート 2 上のリファレンス 3 つと、シート 9 上のリファレンス 1 つが表示されます。

  12. シート 9 上のリファレンスをダブルクリックします。

    パネル レイアウト図面に移動し、この 3 極ヒューズの物理表現が拡大ズームされます。回路が移動したため、ヒューズ ブロック タグの物理表現が更新されたことに注意してください。

  13. ダイアログ ボックスの 1 番目のエントリをダブルクリックして、元の AEGS02.dwg 図面に戻ります。
  14. [閉じる]をクリックします。

モーター回路をライン リファレンスの間隔 1 つ分上に移動すると、若干の領域が空けられ、その下に新規回路が追加されます。次の手順では、3 相母線をライン リファレンス 218 まで下に延長し、そこから右に延ばして、新規モーター回路を作成します。

3 相母線を延長する

  1. [回路図]タブ[配線/線番を編集]パネル[配線トリム]の順にクリックします。 検索
  2. プロンプトに対して、次のように操作します。

    フェンス(F)/交差(C)/オブジェクト範囲ズーム(Z) <トリムする配線を選択>:

     3 本の懸垂配線の一番下をクリックし、右クリックします。

    垂直または水平の 3 相配線を挿入できます。3 相配線では、パス上で見つかったベース コンポーネントはどれでも、自動的にブレークして再接続します。既存の配線と交差する場合は、配線交差ギャップが挿入されます。

  3. [回路図]タブ[配線/線番を挿入]パネル[複数の母線]の順にクリックします。 検索
  4. [複数の母線]ダイアログ ボックスで、次のように選択します。

    水平間隔:  0.5

    垂直間隔:  0.5

    開始:  他の母線(複数配線)

    配線数:  3

  5. [OK]をクリックします。
  6. プロンプトに対して、次のように操作します。

    複相式母線接続を開始する既存の配線を選択:

    図に示すようにライン リファレンス 214 上の一番左の垂直母線の下隅を選択します。

    複相式母線接続を開始する既存の配線を選択: 接続先:

     カーソルをライン リファレンス 218 まで下げます。

    拡張される母線の推奨経路が一時的なグラフィックスとして表示されます。

  7. クリックして、配線を作成します。
  8. 右クリックして、コマンドを終了します。

    3 相母線と配線接続交点マークのシンボルが図面に挿入されます。