既定以外のオブジェクトの距離スナップをベースにするには(AutoCAD Mechanical)
[ホーム]タブ
[寸法記入]パネル
[パワーディメンジョン]
をクリックします。
検索
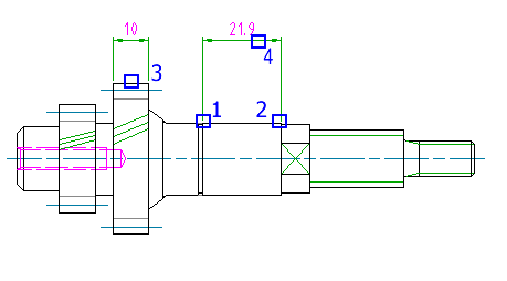
1 本目(1)と 2 本目(2)の寸法補助線の起点を指定します。
寸法線の位置を指定するプロンプトが表示されたら、P と入力します。
距離スナップの基準にするオブジェクト(3)を選択します。
ポインタを寸法の目的の場所と方向に移動します。クリックして、寸法線(4)を配置します。
注:
寸法線がオブジェクトからプリセットされた距離にスナップされると、この寸法線は赤に変わります。
必要に応じて[パワーディメンジョン]リボン コンテキスト タブの設定を使用して、寸法を編集します。あるいは、
[パワーディメンジョン]タブ
[定義済み]ドロップダウン
をクリックします。
検索
定義済み寸法値のテンプレートを選択します。
[パワーディメンジョン]タブ
[閉じる]パネル
[エディタを閉じる]
をクリックします。
検索
関連概念
概要 - パワーディメンジョン(AutoCAD Mechanical)
概要 - 長さ寸法を記入する(AutoCAD Mechanical)
関連タスク
距離スナップ値を一時的に変更するには(AutoCAD Mechanical)
距離スナップを一時的にオフにするには(AutoCAD Mechanical)
距離スナップ設定を定義するには(AutoCAD Mechanical)
関連資料
パワーディメンジョンを作成するためのコマンド(AutoCAD Mechanical)