| プロパティ | 例 | 説明 |
|---|---|---|
|
[ポイントを取り消し]: 直前のポイントまたは指定のポイント ID からアクティブな図形をセグメントで接続するコードです。 |
EP1 RPN EP1 RPN101 |
EP1 は図形名です。名前が一致する場合は、アクティブな図形を続行します。RPN はポイントを取り消しコードです。ポイントがない場合は、前のポイントから現在のポイントに接続され、現在のポイントの前にセグメントが挿入されます。コード EP1 RPN101 は、現在のポイントから指定のポイントに接続します。 |
|
[接続点]: 現在のポイントから指定のポイント ID に 1 つの線分セグメントで(同じフィーチャの)新しい図形を作成するコードです。 ポイント ID は接続点コードの後に指定します。 |
EP1 B CPN101 |
この例では、現在のポイントに新しい図形が作成されます。また、ポイント 101 に 1 つの線分セグメントで別の新しい図形も EP1.CPN101 という名前で作成されます。図形名は、[図形のプロパティ]コマンドを使用して変更できます。 |
|
接続点コードは、常に 1 つの線分セグメントで構成される図形を作成します。 次の図に、接続点コードの例を示します。 ![]() |
||
|
[長方形]: 現在のポイントを始点とするセグメントを指定の数値に基づいてオフセットするコードです。 |
BLD1 <長方形>40 |
現在のポイントを始点とするセグメントの方向に対して、正の値は右にオフセットし、負の値は左にオフセットすることを示します。 長方形コードの後に数値が指定されていない場合は、図形が閉じられます。その際、現在のポイントを始点とする前のセグメントと図形の最初のセグメントとの間で垂線/垂線の交差が行われます。 注:
長方形コードで数値を指定しない場合、現在の図形に前に配置されていたポイントが最低 3 つ必要になります。 |
|
次の図に、40 の値を指定した長方形コードを示します。 ![]() |
||
|
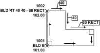
[右折]: 線分セグメント コードとともに使用して、図形に対して垂直な追加の頂点を挿入したり、延長(直線オフセット)として追加の頂点を挿入できるようにするコードです。 |
BLD1 RT X10.1 5 -12.2 -5 -12.2 |
アクティブな図形 BLD1 を現在のポイントまで続行し、現在のセグメントを 10.1 単位で延長して、値ごとに垂直なセグメントを作成します。 オフセット値、<延長> コード、または <長方形> コードは、<右折> コードの後に指定します。 正の数値は右への方向転換を示し、負の数値は左への方向転換を示します。 注:
<延長><値> を使用すると、正の数値の場合は前方にまっすぐ延長され、負の数値の場合は後方にまっすぐ延長されます。 注:
<長方形> コードを使用すると、<右折> コードが完了します。その場合、現在の図形の線分セグメントから垂線/垂線の交差が行われ、開始セグメントに向かって閉じられます。 |
|
次の図に、右折コードと長方形コードの例を示します。 ![]() |
||
|
[延長]: 線分セグメントを延長するコードです。正の値を指定すると、現在のポイントから前方に延長されます。負の値を指定すると現在のポイントに達していない線分セグメントが延長されます。 |
BLD1 X15.5 |
BLD1 はアクティブな図形を続行します。X は延長コードです。15.5 は、現在のポイントから図形の線分セグメントを延長する値です。 |
|
次の図に、延長コード、右折コード、および長方形コードの例を示します。 ![]() |
||