概要 - タイトル ブロックとフィールドを図面に挿入する
フィールドを使用して、図面内のプロジェクト データを追加および更新することができます。
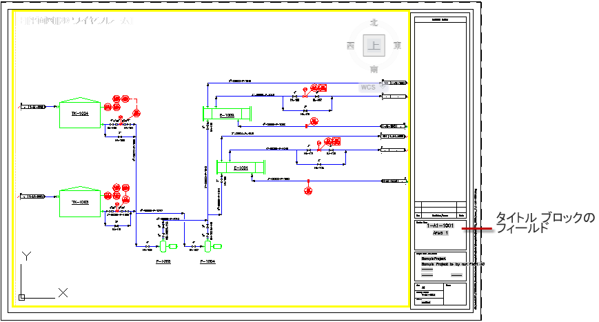
プロジェクト内の各図面には、図面のタイトル ブロックまたは図面のその他の領域に追加できるプロパティがあります。
フィールドまたはフィールドを含むブロックを図面に挿入すると、そのフィールドに、図面と共に保存されているプロパティから取得したデータが自動的に代入されます。
親トピック:
プロジェクト
関連概念
概要 - 図面の作業履歴ステータス
概要 - [プロジェクト マネージャ]
関連タスク
図面のステータス フィールドを図面に追加するには
フィールド情報を含んでいるタイトル ブロックを使用するには
タイトル ブロックに保存されているフィールドを更新するには
プロジェクトの図面を使用するには
関連資料
プロジェクト マネージャのコマンド