冷間成形鋼構造フレーム要素の断面形状の寸法パラメータの値を確認、修正します。
これらのタイプのプロパティは、要素の断面形状ファミリ カテゴリ パラメータから作成されます。
| 断面形状 | 使用可能な形状の寸法パラメータ |
|---|---|
角型鋼管 (冷間成形鋼)
![]() |
B. 幅: 断面形状の外側の幅です。 H. 高さ: 断面形状の外側の高さです。 T. 設計肉厚: 断面形状の内部サーフェスと外部サーフェス間の垂直方向の設計厚です。 t. 標準肉厚: 断面形状の内部サーフェスと外部サーフェス間の垂直方向の平均距離です。 r1. 内側フィレット: 矩形中空構造断面形状の内側のコーナー フィレットの半径です。 r2. 外側フィレット: 矩形中空構造断面形状の外側のコーナー フィレットの半径です。 y. 水平方向の図心: 水平軸に沿った、断面形状の図心から左側端部までの距離です。 z. 垂直方向の図心: 垂直軸に沿った、断面形状の図心から下側端部までの距離です。 |
HSS 丸鋼(冷間成形鋼)
![]() |
D. 直径: 円形断面形状の外径寸法です。 T. 設計肉厚: 断面形状の内部サーフェスと外部サーフェス間の垂直方向の設計厚です。 t. 標準肉厚: 断面形状の内部サーフェスと外部サーフェス間の垂直方向の平均距離です。 y. 水平方向の図心: 水平軸に沿った、断面形状の図心から左側端部までの距離です。 z. 垂直方向の図心: 垂直軸に沿った、断面形状の図心から下側端部までの距離です。 |
C 形プロファイル
![]() |
B. 幅: 断面形状の外側の幅です。 H. 高さ: 断面形状の外側の高さです。 T. 設計肉厚: 断面形状の内部サーフェスと外部サーフェス間の垂直方向の設計厚です。 t. 標準肉厚: 断面形状の内部サーフェスと外部サーフェス間の垂直方向の平均距離です。 r1. 内側フィレット: 冷間成形鋼材断面形状の曲げの内側コーナー フィレットの半径です。 y. 水平方向の図心: 水平軸に沿った、断面形状の図心から左側端部までの距離です。 z. 垂直方向の図心: 垂直軸に沿った、断面形状の図心から下側端部までの距離です。 |
C 形プロファイル(折り曲げ付き)
![]() |
B. 幅: 断面形状の外側の幅です。 H. 高さ: 断面形状の外側の高さです。 h1. リップの長さ: 断面形状の外部サーフェスとリップ セグメント端部の間の距離です。 b1. 折り曲げの長さ: リップ セグメントの外部サーフェスと折り曲げセグメント端部の間の距離です。 T. 設計肉厚: 断面形状の内部サーフェスと外部サーフェス間の垂直方向の設計厚です。 t. 標準肉厚: 断面形状の内部サーフェスと外部サーフェス間の垂直方向の平均距離です。 r1. 内側フィレット: 冷間成形鋼材断面形状の曲げの内側コーナー フィレットの半径です。 y. 水平方向の図心: 水平軸に沿った、断面形状の図心から左側端部までの距離です。 z. 垂直方向の図心: 垂直軸に沿った、断面形状の図心から下側端部までの距離です。 |
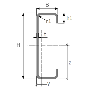
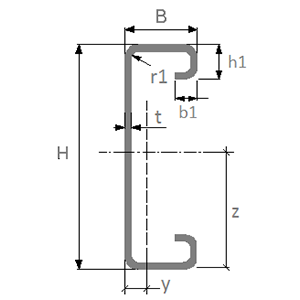
軽溝形鋼(リップ付き)
![]() |
B. 幅: 断面形状の外側の幅です。 H. 高さ: 断面形状の外側の高さです。 h1. リップの長さ: 断面形状の外部サーフェスとリップ セグメント端部の間の距離です。 T. 設計肉厚: 断面形状の内部サーフェスと外部サーフェス間の垂直方向の設計厚です。 t. 標準肉厚: 断面形状の内部サーフェスと外部サーフェス間の垂直方向の平均距離です。 r1. 内側フィレット: 冷間成形鋼材断面形状の曲げの内側コーナー フィレットの半径です。 y. 水平方向の図心: 水平軸に沿った、断面形状の図心から左側端部までの距離です。 z. 垂直方向の図心: 垂直軸に沿った、断面形状の図心から下側端部までの距離です。 |
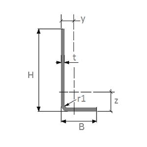
軽山形鋼
![]() |
B. 幅: 断面形状の外側の幅です。 H. 高さ: 断面形状の外側の高さです。 T. 設計肉厚: 断面形状の内部サーフェスと外部サーフェス間の垂直方向の設計厚です。 t. 標準肉厚: 断面形状の内部サーフェスと外部サーフェス間の垂直方向の平均距離です。 r1. 内側フィレット: 冷間成形鋼材断面形状の曲げの内側コーナー フィレットの半径です。 y. 水平方向の図心: 水平軸に沿った、断面形状の図心から左側端部までの距離です。 z. 垂直方向の図心: 垂直軸に沿った、断面形状の図心から下側端部までの距離です。 |
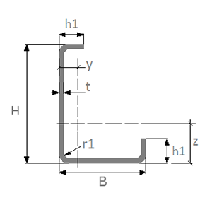
軽山形鋼(リップ付き)
![]() |
B. 幅: 断面形状の外側の幅です。 H. 高さ: 断面形状の外側の高さです。 h1. リップの長さ: 断面形状の外部サーフェスとリップ セグメント端部の間の距離です。 T. 設計肉厚: 断面形状の内部サーフェスと外部サーフェス間の垂直方向の設計厚です。 t. 標準肉厚: 断面形状の内部サーフェスと外部サーフェス間の垂直方向の平均距離です。 r1. 内側フィレット: 冷間成形鋼材断面形状の曲げの内側コーナー フィレットの半径です。 y. 水平方向の図心: 水平軸に沿った、断面形状の図心から左側端部までの距離です。 z. 垂直方向の図心: 垂直軸に沿った、断面形状の図心から下側端部までの距離です。 |
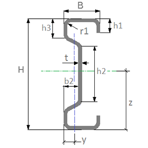
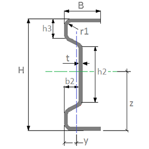
軽∑形鋼
![]() |
B. 幅: 断面形状の外側の幅です。 H. 高さ: 断面形状の外側の高さです。 b2. 曲げ幅: 断面形状の左端と中央の曲げセグメントの外部サーフェス間の距離です。 h2. 中央の曲げの長さ: 中央の曲げセグメントの内部サーフェスの長さです。 h3. 上部の曲げの長さ: 断面形状の上部の外部サーフェスと上部の曲げセグメントの端部の間の距離です。 T. 設計肉厚: 断面形状の内部サーフェスと外部サーフェス間の垂直方向の設計厚です。 t. 標準肉厚: 断面形状の内部サーフェスと外部サーフェス間の垂直方向の平均距離です。 r1. 内側フィレット: 冷間成形鋼材断面形状の曲げの内側コーナー フィレットの半径です。 y. 水平方向の図心: 水平軸に沿った、断面形状の図心から左側端部までの距離です。 z. 垂直方向の図心: 垂直軸に沿った、断面形状の図心から下側端部までの距離です。 |
軽∑形鋼(折り曲げ付き)
![]() |
B. 幅: 断面形状の外側の幅です。 H. 高さ: 断面形状の外側の高さです。 b1. 折り曲げの長さ: リップ セグメントの外部サーフェスと折り曲げセグメント端部の間の距離です。 h1. リップの長さ: 断面形状の外部サーフェスとリップ セグメント端部の間の距離です。 b2. 曲げ幅: 断面形状の左端と中央の曲げセグメントの外部サーフェス間の距離です。 h2. 中央の曲げの長さ: 中央の曲げセグメントの内部サーフェスの長さです。 h3. 上部の曲げの長さ: 断面形状の上部の外部サーフェスと上部の曲げセグメントの端部の間の距離です。 T. 設計肉厚: 断面形状の内部サーフェスと外部サーフェス間の垂直方向の設計厚です。 t. 標準肉厚: 断面形状の内部サーフェスと外部サーフェス間の垂直方向の平均距離です。 r1. 内側フィレット: 冷間成形鋼材断面形状の曲げの内側コーナー フィレットの半径です。 y. 水平方向の図心: 水平軸に沿った、断面形状の図心から左側端部までの距離です。 z. 垂直方向の図心: 垂直軸に沿った、断面形状の図心から下側端部までの距離です。 |
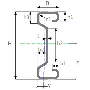
軽∑形鋼(リップ付き)
![]() |
B. 幅: 断面形状の外側の幅です。 H. 高さ: 断面形状の外側の高さです。 b2. 曲げ幅: 断面形状の左端と中央の曲げセグメントの外部サーフェス間の距離です。 h1. リップの長さ: 断面形状の外部サーフェスとリップ セグメント端部の間の距離です。 h2. 中央の曲げの長さ: 中央の曲げセグメントの内部サーフェスの長さです。 h3. 上部の曲げの長さ: 断面形状の上部の外部サーフェスと上部の曲げセグメントの端部の間の距離です。 T. 設計肉厚: 断面形状の内部サーフェスと外部サーフェス間の垂直方向の設計厚です。 t. 標準肉厚: 断面形状の内部サーフェスと外部サーフェス間の垂直方向の平均距離です。 r1. 内側フィレット: 冷間成形鋼材断面形状の曲げの内側コーナー フィレットの半径です。 y. 水平方向の図心: 水平軸に沿った、断面形状の図心から左側端部までの距離です。 z. 垂直方向の図心: 垂直軸に沿った、断面形状の図心から下側端部までの距離です。 |
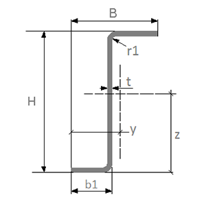
軽Z形鋼
![]() |
B. 幅: 断面形状の外側の幅です。 H. 高さ: 断面形状の外側の高さです。 b1. 下部フランジの長さ: 断面形状の内部サーフェスと下部フランジ セグメント端部の間の距離です。 T. 設計肉厚: 断面形状の内部サーフェスと外部サーフェス間の垂直方向の設計厚です。 t. 標準肉厚: 断面形状の内部サーフェスと外部サーフェス間の垂直方向の平均距離です。 r1. 内側フィレット: 冷間成形鋼材断面形状の曲げの内側コーナー フィレットの半径です。 y. 水平方向の図心: 水平軸に沿った、断面形状の図心から左側端部までの距離です。 z. 垂直方向の図心: 垂直軸に沿った、断面形状の図心から下側端部までの距離です。 |
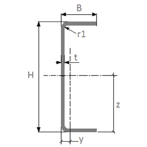
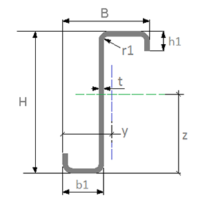
軽Z形鋼(リップ付き)
![]() |
B. 幅: 断面形状の外側の幅です。 H. 高さ: 断面形状の外側の高さです。 b1. 下部フランジの長さ: 断面形状の内部サーフェスと下部フランジ セグメント端部の間の距離です。 h1. リップの長さ: 断面形状の外部サーフェスとリップ セグメント端部の間の距離です。 T. 設計肉厚: 断面形状の内部サーフェスと外部サーフェス間の垂直方向の設計厚です。 t. 標準肉厚: 断面形状の内部サーフェスと外部サーフェス間の垂直方向の平均距離です。 r1. 内側フィレット: 冷間成形鋼材断面形状の曲げの内側コーナー フィレットの半径です。 y. 水平方向の図心: 水平軸に沿った、断面形状の図心から左側端部までの距離です。 z. 垂直方向の図心: 垂直軸に沿った、断面形状の図心から下側端部までの距離です。 |