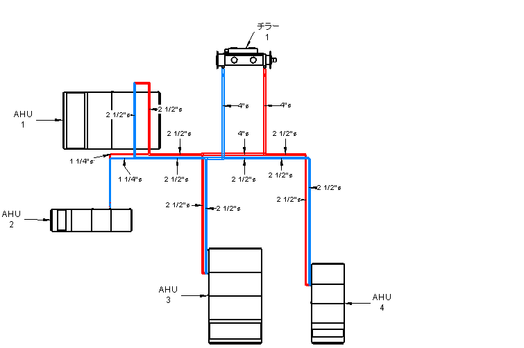
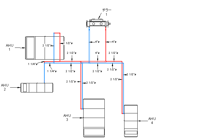
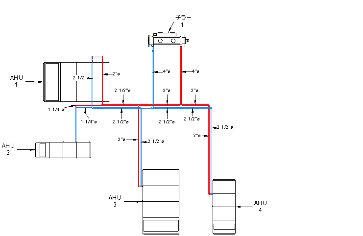
圧力配管のサイズ設定の例
次の図に、さまざまな圧力配管のサイズ設定方法の結果を示します。
摩擦のみ
サイズ設定前
サイズ設定後
速度のみ
サイズ設定前
サイズ設定後
摩擦と速度
サイズ設定前
サイズ設定後
コネクタまたは計算の大きい方
サイズ設定前
サイズ設定後
コネクタを配管サイズに一致
サイズ設定前
サイズ設定後
親トピック:
圧力配管のサイズ設定と計算方法
関連概念
圧力配管システムのプロパティ
冷温水配管インスタンスのプロパティ
圧力配管のサイズ設定方法について
圧力損失の計算