吹き出しタグは、親ビューで吹き出しの位置を示す注釈要素です。
[設定]パネル
[その他の設定]ドロップダウン リストをクリックし、適切なツールを選択します。 
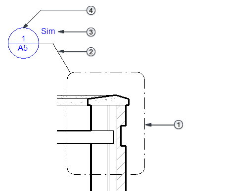
吹き出しタグは、次の要素で構成されています。
吹き出し領域線吹き出し領域を定義するために親ビュー内に描画される線です。
引出線吹き出し記号を吹き出し領域線に接続する線です。
参照ラベル参照吹き出し専用です。吹き出しについて説明するために吹き出しタグに表示される文字です。
吹き出し記号吹き出しを識別する記号です。シートに吹き出しを配置すると、既定では吹き出し記号にそのシートの詳細番号とシート番号が表示されます。