課題の説明
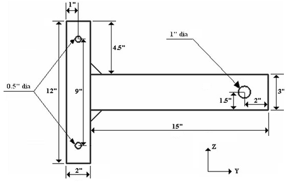
次の図に示す溶接の 2D 断面を作成します。
作図オブジェクトを使用して形状のアウトラインを作成し、0.15 インチの絶対メッシュ サイズを使用して 2D メッシュを生成します。2D モデルを YZ 平面に限定する必要があることから、YZ スケッチ平面を使用します。
溶接は 1" x 1" です。
次へ
親トピック:
2D 溶接モデル