다양한 객체 유형에 대해 여러 방향 및 정렬로 된 여러 유형의 치수를 작성할 수 있습니다.
기본 치수기입 유형은 선형, 반지름, 각도, 세로좌표 및 호 길이입니다. DIM 명령을 사용하면 치수기입하려는 객체 유형에 따라 자동으로 치수를 작성할 수 있습니다.
특별한 경우에는 치수 스타일을 설정하거나 개별 치수를 편집하여 치수 모양을 조정할 수 있습니다. 치수 스타일을 사용하면 신속하게 규칙을 지정할 수 있으며 업계 또는 프로젝트 치수기입 표준을 유지할 수 있습니다.
선형 치수는 수평, 수직 또는 정렬 치수입니다. 문자를 배치할 때 커서를 이동하는 방식에 따라 DIM 명령을 사용하여 정렬 치수, 수평 치수 또는 수직 치수를 작성할 수 있습니다.


반지름 치수는 선택적인 중심선 또는 중심 표식으로 호 및 원의 반지름 또는 지름을 측정합니다. 그림에 여러 가지 옵션이 표시되어 있습니다.

각도 치수는 선택한 두 기하학적 객체나 세 점 사이의 각도를 측정합니다. 이 예에서는 왼쪽에서 오른쪽 순서로 정점 및 두 점, 호, 두 선을 사용하여 작성된 각도 치수를 보여줍니다.

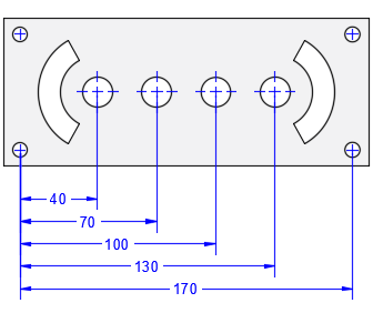
세로좌표 치수는 데이텀이라는 원점(예: 부품의 구멍)으로부터의 수직 거리를 측정합니다. 이러한 치수는 데이텀에서부터 피쳐까지 정확한 간격을 유지함으로써 오류가 단계적으로 확대되는 것을 방지합니다.

이 예에서는 데이텀(0,0)이 그림에 나온 패널의 왼쪽 아래 구석에 있는 구멍으로 표시되어 있습니다.
호 길이 치수는 호 또는 폴리선 호 세그먼트를 따라 거리를 측정합니다. 호 길이 치수는 일반적으로 캠 주위의 진행 거리 측정 및 케이블 길이 등에 사용됩니다.
선형 또는 각도 치수에서 호 길이 치수를 구분하기 위해 호 길이 치수는 기본적으로 호 기호를 표시합니다. 또한 HAT 또는 CAP으로 불리는 호 기호는 치수 문자 위 또는 앞에 표시됩니다.

체인 치수라고도 하는 연속 치수는 끝에서 끝까지 배치된 다중 치수입니다.

기준선 치수는 같은 위치에서 측정된 간격띄우기 치수선이 있는 다중 치수입니다.
