특성 | 예 | 설명 |
---|---|---|
점 취소: 마지막 점이나 지정된 점 ID에서 활성 그림을 세그먼트와 연결하는 데 사용되는 코드입니다. |
EP1 RPN EP1 RPN101 |
EP1은 그림 이름입니다. 이름이 일치하는 경우 활성 그림을 계속합니다. RPN은 점 취소 코드입니다. 점이 없는 경우에는 이전 점에서 현재 점까지 연결하고 현재 점 앞에 세그먼트를 삽입합니다. 코드 EP1 RPN101은 현재 점에서 지정된 점까지 연결합니다. |
점 연결: 현재 점에서 지정된 점 ID까지 단일 선 세그먼트로 같은 피쳐의 새 그림을 작성함을 나타내는 데 사용되는 코드입니다. 지정한 점 ID는 점 연결 코드 다음에 표시됩니다. |
EP1 B CPN101 |
이 예에서는 새 그림이 현재 점에서 작성되고 단일 선 세그먼트를 가진 또 하나의 새 그림이 점 101(EP1.CPN101)까지 그려집니다. 그림 이름은 그림 특성 명령을 사용하여 수정할 수 있습니다. |
점 연결 코드는 항상 단일 선 세그먼트로 구성된 측량그림을 작성합니다. 다음 그림은 점 연결 코드의 예를 보여줍니다. ![]() |
||
직사각형: 현재 점으로 다가오는 세그먼트를 지정된 수만큼 간격띄우기하는 데 사용되는 코드입니다. |
BLD1 <직사각형>40 |
양수는 오른쪽으로 간격띄우기를 나타내고 음수는 왼쪽으로 간격띄우기를 나타냅니다. 이는 현재 점으로 다가오는 선 세그먼트의 방향과 관련된 것입니다. 직사각형 코드 뒤에 아무런 숫자도 없는 경우 이 코드는 현재 점으로 다가오는 이전 세그먼트와 그림의 첫 번째 세그먼트 사이에서 수직/수직 선 교차를 수행하여 그림을 닫습니다. 주:
숫자가 없는 직사각형 코드의 경우 현재 그림에서 이전에 찾은 점이 3개 이상 있어야 합니다. |
다음 그림은 지정된 값이 40인 직사각형 코드를 보여줍니다. ![]() |
||
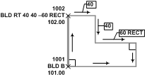
우회전: 추가 정점을 그림에 수직으로 또는 연장선(직선 간격띄우기)으로 삽입할 수 있도록 하기 위해 선 세그먼트 코드와 함께 사용되는 코드입니다. |
BLD1 RT X10.1 5 -12.2 -5 -12.2 |
활성 그림 BLD1을 현재 점까지 계속하고, 현재 세그먼트 10.1 단위를 연장한 다음 각각의 값에 대해 수직 세그먼트를 그립니다. 간격띄우기 값, <연장> 또는 <직사각형> 코드는 <우회전> 코드 뒤에 나옵니다. 양수는 오른쪽으로 꺾기를 나타내고 음수는 왼쪽으로 꺾기를 나타냅니다. 주:
<연장><값>을 사용하여 연장선을 만듭니다. 앞으로 연장하려면 양수, 뒤로 연장하려면 음수를 사용합니다. 주:
<직사각형> 코드를 사용하여 <우회전> 코드를 완성합니다. 이 코드는 현재 그림 선 세그먼트에서 수직/수직 선 교차를 통해 시작 세그먼트에 다시 연결하여 닫습니다. |
다음 그림은 우회전 코드와 직사각형 코드의 예를 보여줍니다. ![]() |
||
연장: 양수 값을 사용하여 선 세그먼트가 현재 점을 통과하여 앞으로 연장되도록 하거나 음수 값을 사용하여 현재 점에 미치지 못하도록 하는 데 사용되는 코드입니다. |
BLD1 X15.5 |
BLD1은 활성 그림을 계속하고, X는 연장 코드입니다. 15.5는 그림 선 세그먼트가 현재 점을 통과하여 연장되는 길이를 나타내는 값입니다. |
다음 그림은 연장 코드, 우회전 코드 및 직사각형 코드의 예를 보여줍니다. ![]() |