Ten podzespół tworzy nakładkę po jednej stronie istniejącej drogi i dodaje jeden lub więcej pasów ruchu do krawędzi, dopasowując nachylenia istniejącego pasa ruchu.

Punkt dołączenia znajduje się na wewnętrznej krawędzi góry warstwy nałożonej.
Uwaga: Jeśli nie zaznaczono inaczej, wszystkie wymiary podawane są w metrach lub stopach. Wszystkie nachylenia podawane są jako kąt względem pionu (np. 4 : 1), chyba że podano nachylenie procentowe ze znakiem %.
|
Parametr |
Opis |
Rodzaj |
Wartość domyślna |
|---|---|---|---|
|
Odsunięcie punktu próbkowania |
Odsunięcie punktu próbkowania, który może znajdować się gdziekolwiek pomiędzy punktem wstawienia a następnym punktem zmiany nachylenia istniejącej powierzchni drogi. Typową lokalizacją punktu próbkowania jest korona drogi lub (jeśli droga nie ma korony) przeciwległa krawędź jezdni. |
Liczbowy |
0.0 |
|
Odsunięcie punktu wewnętrznego |
Odsunięcie punktu wstawienia, znajdującego się zazwyczaj na krawędzi jezdni, tam gdzie planowane jest rozszerzenie. |
Liczbowy |
0.0 |
|
Głębokość warstwy nałożonej |
Głębokość warstwy nałożonej nad istniejącym nachyleniem końcowym |
Liczbowy, dodatni |
0.100 m 0.30 stopy |
|
Szerokość |
Szerokość poszerzanego pasa ruchu |
Liczbowy, dodatni |
3.6 m 12.0 stopy |
|
Głębokość Naw1 |
Grubość warstwy Naw1 poszerzenia pasa ruchu; zero oznacza pominięcie |
Liczbowy, dodatni |
0.025 m 0.083 stopy |
|
Głębokość Naw2 |
Grubość warstwy Naw2 poszerzenia pasa ruchu; zero oznacza pominięcie |
Liczbowy, dodatni |
0.025 m 0.083 stopy |
|
Głębokość warstwy podstawowej |
Grubość warstwy podstawowej poszerzenia pasa ruchu |
Liczbowy, dodatni |
0.100 m 0.333 stopy |
|
Głębokość dolnej warstwy nośnej |
Grubość dolnej warstwy nośnej poszerzenia pasa ruchu |
Liczbowy, dodatni |
0.300 m 1.0 stopy |
W tej sekcji opisano występujące w tym podzespole parametry, które można mapować do jednego lub większej liczby obiektów docelowych, takich jak powierzchnia, linia trasowania lub obiekt profilu na rysunku. Więcej informacji zawiera temat Określanie ustawień docelowych korytarza.
|
Parametr |
Opis |
Stan |
|---|---|---|
|
Istniejąca powierzchnia |
Nazwa powierzchni definiującej istniejącą jezdnię. Następujące typy obiektów można zastosować jako obiekty docelowe do określania tej powierzchni: powierzchnie. |
Wymagany |
|
Odsunięcie punktu próbkowania |
Może być używany do zastąpienia stałej wartości Odsunięcie punktu próbkowania i łączenia tego punktu z linią trasowania odsunięcia. Następujące typy obiektów można zastosować jako obiekty docelowe do określania tego odsunięcia: linie trasowania, polilinie, linie charakterystyczne lub figury pomiarowe. |
Opcjonalny |
|
Odsunięcie punktu wewnętrznego |
Może być używany do zastąpienia stałej wartości Odsunięcie punktu wewnętrznego i łączenia tego punktu z linią trasowania odsunięcia. Następujące typy obiektów można zastosować jako obiekty docelowe do określania tego odsunięcia: linie trasowania, polilinie, linie charakterystyczne lub figury pomiarowe. |
Opcjonalny |
|
Szerokość |
Można używać do zastąpienia stałej wartości Szerokość poszerzanego pasa i łączenia krawędzi pasa z linią trasowania odsunięcia. Następujące typy obiektów można zastosować jako obiekty docelowe do określania tego odsunięcia: linie trasowania, polilinie, linie charakterystyczne lub figury pomiarowe. |
Opcja |
|
Parametr |
Opis |
Typ |
|---|---|---|
|
Nachylenie % |
Obliczane nachylenie na istniejącej powierzchni od punktu próbkowania do punktu wewnętrznego. |
Liczbowy |
Na istniejącej powierzchni wyznaczane są rzędne punktu próbkowania i punktu wewnętrznego oraz obliczane jest nachylenie od punktu próbkowania do punktu wewnętrznego. Nad istniejącym pasem, przy tym samym nachyleniu i danej głębokości warstwy nałożonej, dodawana jest warstwa nałożona. Poprzez nałożenie na istniejące nachylenie co najmniej jednego połączenia tworzony jest zamknięty kształt warstwy nałożonej. Poszerzany pas dołączany jest na zewnątrz warstwy nałożonej, przy Odsunięciu wewnętrznym, przy wykorzystaniu obliczonego nachylenia.
Końcówki warstw nawierzchni drogi zamykane są obustronnie pionowymi połączeniami. Wstawiane jest także pojedyncze pionowe połączenie, biegnące od wewnętrznej krawędzi dolnej warstwy nośnej do istniejącej powierzchni.
W trybie układu podzespół dołączany jest do jakiegokolwiek dogodnego punktu. Wyświetlana jest warstwa nałożona o jednolitej głębokości i szerokości 3,6 m lub 12 stóp i nachyleniu -2%. Poszerzany pas o danej szerokości, głębokości i nachyleniu -2% rozciąga się od krawędzi warstwy nałożonej.
W trybie modelowania kształty dopasowują się do rzeczywistych warunków, określonych przez punkt próbkowania, punkt wewnętrzny i istniejącą powierzchnię.

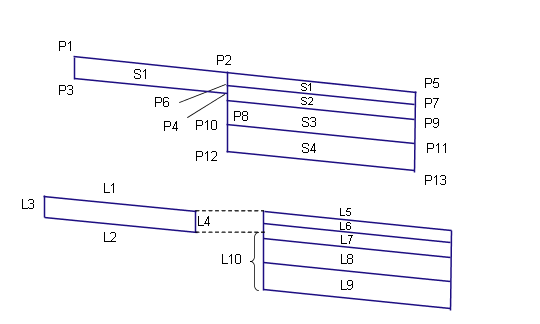
W następującej tabeli wymieniono kody kształtów, połączeń i punktów dla tych podzespołów, do których przypisano kody. Kody kształtu, połączeń i punktów dla tych podzespołów, do których nie przypisano kodów, nie zostały uwzględnione w tej tabeli.
|
Punkt, połączenie lub kształt |
Kod |
Opis |
|---|---|---|
|
P5 |
ETW |
Zewnętrzna krawędź poszerzanego pasa ruchu na nachyleniu końcowym |
|
P7 |
ETW_Pave1 |
Zewnętrzna krawędź poszerzanego pasa ruchu na Naw1 |
|
P9 |
ETW_Pave2 |
Zewnętrzna krawędź poszerzanego pasa ruchu na Naw2 |
|
P11 |
KJ_Warstwa_podstawowa |
Zewnętrzna krawędź poszerzanego pasa ruchu na warstwie podstawowej |
|
P13 |
KJ_Noś |
Zewnętrzna krawędź poszerzanego pasa ruchu na dolnej warstwie nośnej |
|
L1, L5 |
Top, Pave |
Powierzchnia nachylenia końcowego |
|
L2 |
Warstwa nałożona |
Nałożone połączenia na istniejącej powierzchni Należy zauważyć, że pomiędzy punktami P3 i P4 może istnieć więcej połączeń. |
|
L6 |
Pave1 |
|
|
L7 |
Pave2 |
|
|
L8 |
Warstwa podstawowa |
|
|
L9 |
Dolna warstwa nośna, Rzędna odniesienia |
|
|
L10 |
Rzędna odniesienia |
|
|
S1 |
Warstwa nałożona |
Obszar pomiędzy warstwą nałożoną i istniejącym pasem |
|
S2 |
Pave1 |
|
|
S3 |
Pave2 |
|
|
S4 |
Warstwa podstawowa |
|
|
S5 |
Dolna warstwa nośna |
