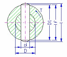
Zalecane wartości:
d = (0.2 - 0.3) D
D 1 = (1,5 - 2) D - dla stali i staliwa
D 1 = 2.5 D - dla żeliwa szarego
Aktywna długość sworznia
Aktywna długość sworznia 1 f jest długością zredukowaną o fazowanie i zaokrąglenie. Długość aktywna zazwyczaj przenosi obciążenia.
Wzory w jednostkach metrycznych
Naprężenie zginające
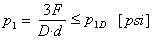
Nacisk w cięgle
Nacisk w sworzniu
Naprężenie ścinające
gdzie:
|
F |
siła [N] |
|
|
σ 0 |
naprężenie zginające [MPa] |
|
|
σ 0D |
dopuszczalne naprężenie zginające [MPa] |
|
|
M 0 |
moment zginający [N mm] |
|
|
W 0 |
moduł przekroju zgięcia [mm 3 ] |
|
| τ |
naprężenie ścinające [MPa] |
|
|
τ D |
dopuszczalne naprężenie ścinające [MPa] |
|
|
d |
średnica sworznia [mm] |
|
|
p 1 |
nacisk w cięgle [MPa] |
|
|
p 2 |
nacisk w sworzniu [MPa] |
|
|
p 1D |
dopuszczalny nacisk w cięgle [MPa] |
|
|
p 2D |
dopuszczalny nacisk w sworzniu [MPa] |
|
|
b |
szerokość cięgła [mm] |
|
|
a |
szerokość ramienia sworznia [mm] |
|
|
D |
średnica wału [mm] |
Wzory w jednostkach angielskich
Naprężenie zginające
Nacisk w cięgle
Nacisk w sworzniu
Naprężenie ścinające
gdzie:
|
F |
siła [funt] |
|
|
σ 0 |
naprężenie zginające [psi] |
|
|
σ 0D |
dopuszczalne naprężenie zginające [psi] |
|
|
M 0 |
moment zginający [funt stopa] |
|
|
W 0 |
moduł przekroju zgięcia [cal 3 ] |
|
| τ |
naprężenie ścinające [psi] |
|
|
τ D |
dopuszczalne naprężenie ścinające [psi] |
|
|
d |
średnica sworznia [cal] |
|
|
p 1 |
nacisk w cięgle [psi] |
|
|
p 2 |
nacisk w sworzniu [psi] |
|
|
p 1D |
dopuszczalny nacisk w cięgle [psi] |
|
|
p 2D |
dopuszczalny nacisk w sworzniu [psi] |
|
|
b |
szerokość cięgła [cal] |
|
|
a |
szerokość ramienia sworznia [cal] |
|
|
D |
średnica wału [cal] |