Moduł służący do wymiarowania ścian żelbetowych pozwala na definicję następujących typów obciążeń przyłożonych do ściany:
Obciążenia ciągłe oraz transformowane do tej postaci obciążenia powierzchniowe są rozkładane w zależności od odległości od poziomu ich przyłożenia. Przyjęto, że w przypadku dowolnego kształtu obciążenia (tj. innego niż równomiernie rozłożone), w wyniku jego rozkładu po wysokości ściany dochodzi do zamiany tego obciążenia na równomiernie rozłożone.
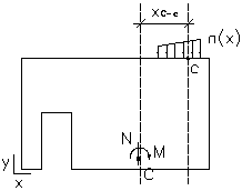
Poniższy rysunek przedstawia schemat rozkładu obciążeń grawitacyjnych po wysokości ściany.

Kąt q zależy od tego, czy ściana jest zbrojona. Wyrażony jest poprzez wartość funkcji trygonometrycznej:
W przypadku występowania w ścianie otworów przyjmuje się, że obciążenia przypadające na nadproże otworu przenoszone są przez ‘słupki’ przylegające do krawędzi otworu. Rozkład obciążeń zależy od położenia obciążenia w stosunku do krawędzi pionowych otworu. Szerokość rozkładu obciążenia z nadproża (szerokość słupków przy otworze) przyjęta jest jako równa mniejszej z dwóch wartości: połowie szerokości otworu oraz dwukrotnej grubości ściany.
Podejście takie pozwala na uwzględnienie koncentracji naprężeń występujących np. w filarach przy— lub międzyokiennych.
Moduł ścian żelbetowych ułatwia definicję obciążeń powtarzających się na kolejnych (wyższych niż rozpatrywana ściana) kondygnacjach konstrukcji. Jeśli na przykład obciążenia od stropu opierającego się na ścianie są takie same na wszystkich piętrach powyżej, można wpisać liczbę jednakowych pięter powyżej rozpatrywanego w polu Liczba kondygnacji powyżej w oknie definicji obciążeń.
W przypadku tak zdefiniowanego obciążenia seryjnego przyjmuje się, że rozkład obciążeń przychodzących od wyższych pięter na projektowaną ścianę jest jednorodny na długości przęsła.
Sposób obliczania naprężeń od obciążeń ciągłych ilustrują poniższe wzory:
γ(x) = p(x) / a(x),
gdzie:
γ(x) — wartość naprężenia w punkcie x
p(x) — wartość obciążenia rozłożonego (o dowolnym kształcie)
a(x) — grubość ściany.
Obciążenia zredukowane są to obciążenia przychodzące na całość konstrukcji, przy założeniu pracy budynku jako sztywnego wspornika. Przyjęto, że obciążenia zredukowane przyłożone są u podstawy danego piętra (w środku ciężkości przekroju podstawy ściany z uwzględnieniem otworów). Obciążenia zredukowane mogą być zdefiniowane przez użytkownika bezpośrednio w module ścian.
Sposób obliczania naprężeń od obciążeń zredukowanych ilustrują poniższe wzory:
γ(N) = N / Atot
gdzie:
Atot — całkowite pole przekroju konstrukcji (z uwzględnieniem otworów) na poziomie i
gdzie:
Itot — moment bezwładności dolnego przekroju ściany (z uwzględnieniem otworów) na poziomie i
ytot — odległość rozpatrywanego punktu od środka ciężkości przekroju podstawy ściany (z uwzględnieniem otworów) na poziomie i
gdzie:
amin — grubość ściany
Lmin — długość konstrukcji
W przypadku zastosowania metody klasycznej według normy BAEL lub wybrania normy ACI, a także w obliczeniach ścinania i poślizgu w metodzie uproszczonej BAEL, obciążenia liniowe przyłożone na dowolnym poziomie ściany są transformowane do układu N—M obciążeń zredukowanych w przekroju podstawy ściany. Obciążenia redukowane są według schematu pokazanego na poniższym rysunku.

gdzie:
