Wymiary przekroju poprzecznego stali walcowanej na zimno

Można przeglądać i modyfikować wartości parametrów kształtu przekroju elementów ram konstrukcyjnych ze stali walcowanej na zimno.

Te właściwości typu zostaną utworzone z parametru kategorii rodziny kształtu przekroju elementu.

Kształt przekroju Dostępne parametry wymiarów przekroju
Profil zamknięty prostokątny (stal kształtowana na zimno)

B. Szerokość: zewnętrzna szerokość kształtu przekroju.

H. Wysokość: zewnętrzna wysokość kształtu przekroju.

T. Grubość projektowa ściany: Grubość prostopadła projektu między wewnętrzną i zewnętrzną powierzchnią kształtu przekroju.

t. Grubość nominalna ściany: średnia odległość prostopadła między wewnętrzną i zewnętrzną powierzchnią kształtu przekroju.

r1. Zaokrąglenie wewnętrzne: promień zaokrąglenia narożnika wewnętrznego kształtu wydrążonego prostokątnego przekroju konstrukcyjnego.

r2. Zaokrąglenie zewnętrzne: promień zaokrąglenia narożnika zewnętrznego kształtu wydrążonego prostokątnego przekroju konstrukcyjnego.

y. Centroida pozioma: odległość od środka ciężkości kształtu przekroju do skrajnych wartości z lewej strony wzdłuż osi poziomej.

z. Centroida pionowa: odległość od środka ciężkości przekroju kształtu do dolnych skrajnych wartości wzdłuż osi pionowej.

Profil zamknięty okrągły (stal kształtowana na zimno)

D. Średnica: zewnętrzna średnica przekroju o okrągłym kształcie.

T. Grubość projektowa ściany: Grubość prostopadła projektu między wewnętrzną i zewnętrzną powierzchnią kształtu przekroju.

t. Grubość nominalna ściany: średnia odległość prostopadła między wewnętrzną i zewnętrzną powierzchnią kształtu przekroju.

y. Centroida pozioma: odległość od środka ciężkości kształtu przekroju do skrajnych wartości z lewej strony wzdłuż osi poziomej.

z. Centroida pionowa: odległość od środka ciężkości przekroju kształtu do dolnych skrajnych wartości wzdłuż osi pionowej.

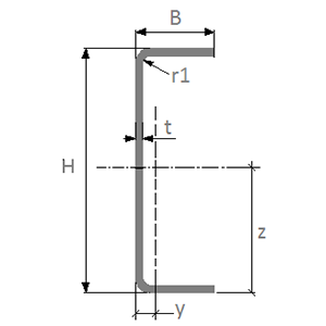
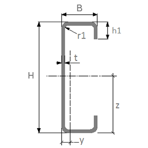
Ceownik

B. Szerokość: zewnętrzna szerokość kształtu przekroju.

H. Wysokość: zewnętrzna wysokość kształtu przekroju.

T. Grubość projektowa ściany: Grubość prostopadła projektu między wewnętrzną i zewnętrzną powierzchnią kształtu przekroju.

t. Grubość nominalna ściany: średnia odległość prostopadła między wewnętrzną i zewnętrzną powierzchnią kształtu przekroju.

r1. Zaokrąglenie wewnętrzne: promień zaokrąglenia narożnika wewnętrznego gięcia w kształcie przekroju konstrukcyjnego ze stali kształtowanej na zimno.

y. Centroida pozioma: odległość od środka ciężkości kształtu przekroju do skrajnych wartości z lewej strony wzdłuż osi poziomej.

z. Centroida pionowa: odległość od środka ciężkości przekroju kształtu do dolnych skrajnych wartości wzdłuż osi pionowej.

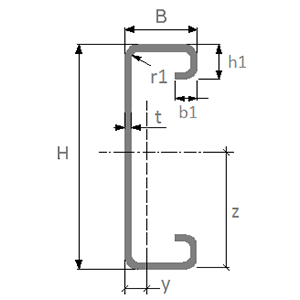
Ceownik z zawinięciem

B. Szerokość: zewnętrzna szerokość kształtu przekroju.

H. Wysokość: zewnętrzna wysokość kształtu przekroju.

h1. Długość występu: odległość między zewnętrzną powierzchnią kształtu przekroju i końcem segmentu występu.

b1. Długość zawinięcia: odległość między zewnętrzną powierzchnią segmentu występu i końcem zawinięcia.

T. Grubość projektowa ściany: Grubość prostopadła projektu między wewnętrzną i zewnętrzną powierzchnią kształtu przekroju.

t. Grubość nominalna ściany: średnia odległość prostopadła między wewnętrzną i zewnętrzną powierzchnią kształtu przekroju.

r1. Zaokrąglenie wewnętrzne: promień zaokrąglenia narożnika wewnętrznego gięcia w kształcie przekroju konstrukcyjnego ze stali kształtowanej na zimno.

y. Centroida pozioma: odległość od środka ciężkości kształtu przekroju do skrajnych wartości z lewej strony wzdłuż osi poziomej.

z. Centroida pionowa: odległość od środka ciężkości przekroju kształtu do dolnych skrajnych wartości wzdłuż osi pionowej.

Ceownik z występami

B. Szerokość: zewnętrzna szerokość kształtu przekroju.

H. Wysokość: zewnętrzna wysokość kształtu przekroju.

h1. Długość występu: odległość między zewnętrzną powierzchnią kształtu przekroju i końcem segmentu występu.

T. Grubość projektowa ściany: Grubość prostopadła projektu między wewnętrzną i zewnętrzną powierzchnią kształtu przekroju.

t. Grubość nominalna ściany: średnia odległość prostopadła między wewnętrzną i zewnętrzną powierzchnią kształtu przekroju.

r1. Zaokrąglenie wewnętrzne: promień zaokrąglenia narożnika wewnętrznego gięcia w kształcie przekroju konstrukcyjnego ze stali kształtowanej na zimno.

y. Centroida pozioma: odległość od środka ciężkości kształtu przekroju do skrajnych wartości z lewej strony wzdłuż osi poziomej.

z. Centroida pionowa: odległość od środka ciężkości przekroju kształtu do dolnych skrajnych wartości wzdłuż osi pionowej.

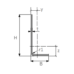
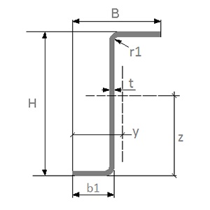
Kątownik

B. Szerokość: zewnętrzna szerokość kształtu przekroju.

H. Wysokość: zewnętrzna wysokość kształtu przekroju.

T. Grubość projektowa ściany: Grubość prostopadła projektu między wewnętrzną i zewnętrzną powierzchnią kształtu przekroju.

t. Grubość nominalna ściany: średnia odległość prostopadła między wewnętrzną i zewnętrzną powierzchnią kształtu przekroju.

r1. Zaokrąglenie wewnętrzne: promień zaokrąglenia narożnika wewnętrznego gięcia w kształcie przekroju konstrukcyjnego ze stali kształtowanej na zimno.

y. Centroida pozioma: odległość od środka ciężkości kształtu przekroju do skrajnych wartości z lewej strony wzdłuż osi poziomej.

z. Centroida pionowa: odległość od środka ciężkości przekroju kształtu do dolnych skrajnych wartości wzdłuż osi pionowej.

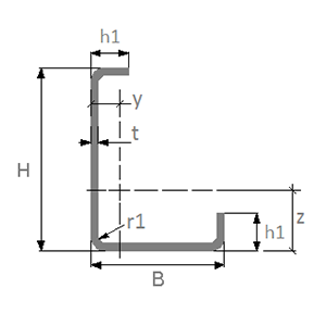
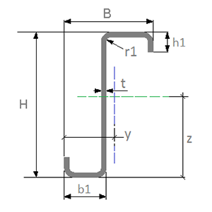
Kątownik z występami

B. Szerokość: zewnętrzna szerokość kształtu przekroju.

H. Wysokość: zewnętrzna wysokość kształtu przekroju.

h1. Długość występu: odległość między zewnętrzną powierzchnią kształtu przekroju i końcem segmentu występu.

T. Grubość projektowa ściany: Grubość prostopadła projektu między wewnętrzną i zewnętrzną powierzchnią kształtu przekroju.

t. Grubość nominalna ściany: średnia odległość prostopadła między wewnętrzną i zewnętrzną powierzchnią kształtu przekroju.

r1. Zaokrąglenie wewnętrzne: promień zaokrąglenia narożnika wewnętrznego gięcia w kształcie przekroju konstrukcyjnego ze stali kształtowanej na zimno.

y. Centroida pozioma: odległość od środka ciężkości kształtu przekroju do skrajnych wartości z lewej strony wzdłuż osi poziomej.

z. Centroida pionowa: odległość od środka ciężkości przekroju kształtu do dolnych skrajnych wartości wzdłuż osi pionowej.

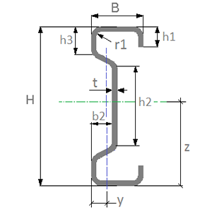
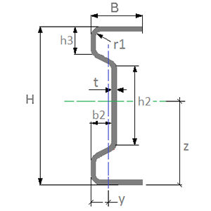
Profil sigma

B. Szerokość: zewnętrzna szerokość kształtu przekroju.

H. Wysokość: zewnętrzna wysokość kształtu przekroju.

b2. Szerokość gięcia: odległość od lewych wartości skrajnych kształtu przekroju do zewnętrznej powierzchni środkowego segmentu gięcia.

h2. Długość środkowego gięcia: długość wewnętrznej powierzchni środkowego segmentu gięcia.

h3. Długość górnego gięcia: odległość między zewnętrzną powierzchnią górnej części kształtu przekroju a końcem górnego segmentu gięcia.

T. Grubość projektowa ściany: Grubość prostopadła projektu między wewnętrzną i zewnętrzną powierzchnią kształtu przekroju.

t. Grubość nominalna ściany: średnia odległość prostopadła między wewnętrzną i zewnętrzną powierzchnią kształtu przekroju.

r1. Zaokrąglenie wewnętrzne: promień zaokrąglenia narożnika wewnętrznego gięcia w kształcie przekroju konstrukcyjnego ze stali kształtowanej na zimno.

y. Centroida pozioma: odległość od środka ciężkości kształtu przekroju do skrajnych wartości z lewej strony wzdłuż osi poziomej.

z. Centroida pionowa: odległość od środka ciężkości przekroju kształtu do dolnych skrajnych wartości wzdłuż osi pionowej.

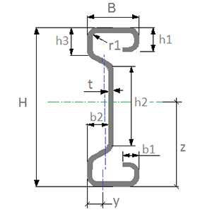
Profil sigma z zawinięciem

B. Szerokość: zewnętrzna szerokość kształtu przekroju.

H. Wysokość: zewnętrzna wysokość kształtu przekroju.

b1. Długość zawinięcia: odległość między zewnętrzną powierzchnią segmentu występu i końcem zawinięcia.

h1. Długość występu: odległość między zewnętrzną powierzchnią kształtu przekroju i końcem segmentu występu.

b2. Szerokość gięcia: odległość od lewych wartości skrajnych kształtu przekroju do zewnętrznej powierzchni środkowego segmentu gięcia.

h2. Długość środkowego gięcia: długość wewnętrznej powierzchni środkowego segmentu gięcia.

h3. Długość górnego gięcia: odległość między zewnętrzną powierzchnią górnej części kształtu przekroju a końcem górnego segmentu gięcia.

T. Grubość projektowa ściany: Grubość prostopadła projektu między wewnętrzną i zewnętrzną powierzchnią kształtu przekroju.

t. Grubość nominalna ściany: średnia odległość prostopadła między wewnętrzną i zewnętrzną powierzchnią kształtu przekroju.

r1. Zaokrąglenie wewnętrzne: promień zaokrąglenia narożnika wewnętrznego gięcia w kształcie przekroju konstrukcyjnego ze stali kształtowanej na zimno.

y. Centroida pozioma: odległość od środka ciężkości kształtu przekroju do skrajnych wartości z lewej strony wzdłuż osi poziomej.

z. Centroida pionowa: odległość od środka ciężkości przekroju kształtu do dolnych skrajnych wartości wzdłuż osi pionowej.

Profil sigma z występami

B. Szerokość: zewnętrzna szerokość kształtu przekroju.

H. Wysokość: zewnętrzna wysokość kształtu przekroju.

b2. Szerokość gięcia: odległość od lewych wartości skrajnych kształtu przekroju do zewnętrznej powierzchni środkowego segmentu gięcia.

h1. Długość występu: odległość między zewnętrzną powierzchnią kształtu przekroju i końcem segmentu występu.

h2. Długość środkowego gięcia: długość wewnętrznej powierzchni środkowego segmentu gięcia.

h3. Długość górnego gięcia: odległość między zewnętrzną powierzchnią górnej części kształtu przekroju a końcem górnego segmentu gięcia.

T. Grubość projektowa ściany: Grubość prostopadła projektu między wewnętrzną i zewnętrzną powierzchnią kształtu przekroju.

t. Grubość nominalna ściany: średnia odległość prostopadła między wewnętrzną i zewnętrzną powierzchnią kształtu przekroju.

r1. Zaokrąglenie wewnętrzne: promień zaokrąglenia narożnika wewnętrznego gięcia w kształcie przekroju konstrukcyjnego ze stali kształtowanej na zimno.

y. Centroida pozioma: odległość od środka ciężkości kształtu przekroju do skrajnych wartości z lewej strony wzdłuż osi poziomej.

z. Centroida pionowa: odległość od środka ciężkości przekroju kształtu do dolnych skrajnych wartości wzdłuż osi pionowej.

Zetownik

B. Szerokość: zewnętrzna szerokość kształtu przekroju.

H. Wysokość: zewnętrzna wysokość kształtu przekroju.

b1. Długość dolnego kołnierza: odległość między wewnętrzną powierzchnią kształtu przekroju i końcem dolnego segmentu kołnierza.

T. Grubość projektowa ściany: Grubość prostopadła projektu między wewnętrzną i zewnętrzną powierzchnią kształtu przekroju.

t. Grubość nominalna ściany: średnia odległość prostopadła między wewnętrzną i zewnętrzną powierzchnią kształtu przekroju.

r1. Zaokrąglenie wewnętrzne: promień zaokrąglenia narożnika wewnętrznego gięcia w kształcie przekroju konstrukcyjnego ze stali kształtowanej na zimno.

y. Centroida pozioma: odległość od środka ciężkości kształtu przekroju do skrajnych wartości z lewej strony wzdłuż osi poziomej.

z. Centroida pionowa: odległość od środka ciężkości przekroju kształtu do dolnych skrajnych wartości wzdłuż osi pionowej.

Zetownik z występami

B. Szerokość: zewnętrzna szerokość kształtu przekroju.

H. Wysokość: zewnętrzna wysokość kształtu przekroju.

b1. Długość dolnego kołnierza: odległość między wewnętrzną powierzchnią kształtu przekroju i końcem dolnego segmentu kołnierza.

h1. Długość występu: odległość między zewnętrzną powierzchnią kształtu przekroju i końcem segmentu występu.

T. Grubość projektowa ściany: Grubość prostopadła projektu między wewnętrzną i zewnętrzną powierzchnią kształtu przekroju.

t. Grubość nominalna ściany: średnia odległość prostopadła między wewnętrzną i zewnętrzną powierzchnią kształtu przekroju.

r1. Zaokrąglenie wewnętrzne: promień zaokrąglenia narożnika wewnętrznego gięcia w kształcie przekroju konstrukcyjnego ze stali kształtowanej na zimno.

y. Centroida pozioma: odległość od środka ciężkości kształtu przekroju do skrajnych wartości z lewej strony wzdłuż osi poziomej.

z. Centroida pionowa: odległość od środka ciężkości przekroju kształtu do dolnych skrajnych wartości wzdłuż osi pionowej.