Você pode criar vários tipos de cotas para uma variedade de tipos de objeto em muitas orientações e alinhamentos.
Os tipo de cota s básicos são lineares, radiais, angulares, de ordenada e comprimento de arco. Utilize o comando COTA para criar automaticamente as cotas de acordo com o tipo de objeto ao qual deseja aplicar cota.
Você pode controlar a aparência das cotas configurando os estilos de cota ou editando cotas individuais em casos especiais. Os estilos de cota permitem especificar as convenções de forma rápida e manter os padrões de cota da indústria ou do projeto.
As cotas lineares podem ser horizontais, verticais ou alinhadas. É possível criar uma cota vertical, horizontal ou alinhada com o comando COTA, dependendo de como você mover o cursor ao inserir o texto.


Uma cota radial mede o raio ou diâmetro dos arcos e círculos com uma linha de centro ou marca de centro opcional. Diversas opções são exibidas na ilustração.

As cotas angulares medem o ângulo entre dois objetos geométricos selecionados ou três pontos. Da esquerda para a direita, o exemplo mostra as cotas angulares criadas usando um vértice e dois pontos, um arco e duas linhas.

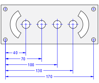
As cotas de ordenada medem as distâncias perpendiculares de um ponto de origem denominado referência, como um furo em uma parte. Essas cotas evitam erros de escala, mantendo deslocamentos precisos dos elementos da referência.

Neste exemplo, a referência (0,0) é indicada como o furo no canto inferior esquerdo do painel ilustrado.
As cotas de comprimento de arco medem a distância ao longo de um arco ou de um segmento de arco de polilinha. Os usos típicos de uma cota de comprimento de arco, incluem a medição da distância percorrida em torno de uma câmera ou indicando o comprimento de um cabo.
Para diferenciá-las de cotas lineares ou angulares, as cotas de comprimento de arco exibem um símbolo de arco por padrão. O símbolo de arco, também denominado de chapéu ou tampa, é exibido acima do texto da cota ou antes do texto da cota.

As cotas em série, também chamadas de cotas em cadeia, são várias cotas colocadas de ponta a ponta.

As cotas de linha de base são várias cotas com linhas de cota de deslocamento medidas a partir do mesmo local.
