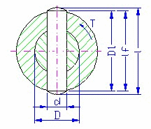
Gerador de pinos radiais

Valores recomendados:

d = (0,2 -0,3) D

D 1 = (1,5 - 2) D - para aço e aço fundido

D 1 = 2,5 D - para ferro fundido cinza

Comprimento ativo do pino

O comprimento ativo do pino l f diminui com os chanfros e as concordâncias e costuma suportar a carga. e costuma suportar a carga.

Fórmulas em unidades métricas

Tensão de vergadura

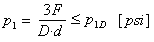
Pressão na vareta

Pressão no clevis

Tensão de corte

onde:

 

F

força [N]

 

σ 0

tensão de dobra [MPa]

 

σ 0D

tensão de dobra suportada [MPa]

 

M 0

momento de dobra[N mm]

 

W 0

módulo da seção de dobra [mm 3 ]

  τ

tensão de corte [MPa]

 

τ D

tensão de corte suportada [MPa]

 

d

diâmetro do pino [mm]

 

p 1

pressão na vareta [MPa]

 

p 2

pressão no clevis [MPa]

 

p 1D

pressão suportada na vareta [MPa]

 

p 2D

pressão suportada no clevis [MPa]

 

b

largura da vareta [mm]

 

a

largura do braço do clevis [mm]

 

D

diâmetro do eixo [mm]

Fórmulas em unidades imperiais

Tensão de vergadura

Pressão na vareta

Pressão no clevis

Tensão de corte

onde:

 

F

força [libras]

 

σ 0

tensão de dobra [psi]

 

σ 0D

tensão de vergadura suportada [psi]

 

M 0

momento de dobra [polegadas pés]

 

W 0

módulo da seção de vergadura [pol 3 ]

  τ

tensão de corte [psi]

 

τ D

tensão de corte suportada [psi]

 

d

diâmetro do pino [pol]

 

p 1

pressão na vareta [psi]

 

p 2

pressão no clevis [psi]

 

p 1D

pressão suportada na vareta [psi]

 

p 2D

pressão suportada no clevis [psi]

 

b

largura da vareta [pol]

 

a

largura do braço do clevis [pol]

 

D

diâmetro do eixo [pol]