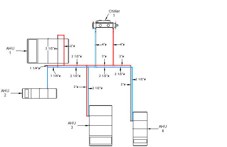
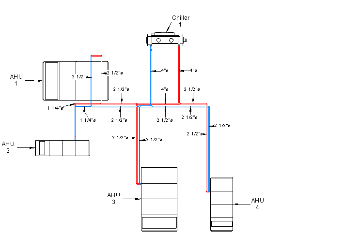
Exemplos de tamanho de tubulação hidrônica

As imagens a seguir mostram os resultados dos diversos métodos de tamanho de tubulação hidrônica.

Somente atrito

Antes de dimensionar

Após dimensionar

Velocidade somente

Antes de dimensionar

Após dimensionar

Atrito e velocidade

Antes de dimensionar

Após dimensionar

Maior entre conector e cálculo

Antes de dimensionar

Após dimensionar

Coincidir conector ao tamanho da tubulação

Antes de dimensionar

Após dimensionar