Для разных объектов можно создавать размеры различных типов и настраивать для них ориентацию и выравнивание.
К основным типам размеров относятся линейные, радиальные, угловые, ординатные размеры, а также длина дуги. Используйте команду РАЗМЕР для автоматического создания размеров в соответствии с типом объекта, для которого требуется указать размер.
Внешний вид размеров можно настроить путем задания размерных стилей или, в некоторых случаях, путем редактирования отдельных размеров. С помощью размерных стилей можно быстро указывать форматирование размеров и обеспечивать соответствие отраслевым и проектным стандартам.
Линейные размеры могут иметь горизонтальное, вертикальное или параллельное направление. С помощью команды РАЗМЕР можно создавать параллельные, горизонтальные и вертикальные размеры в зависимости от способа перемещения курсора при размещении текста.


Радиальные размеры позволяют измерить величину радиуса или диаметра дуг и окружностей. Дополнительно могут отображаться осевые линии или маркеры центра. На рисунке ниже показано несколько вариантов радиальных размеров.

Угловые размеры наносятся для обозначения углов между двумя выбранными геометрическими объектами или тремя точками. На приведенном ниже рисунке слева направо показаны угловые размеры, созданные с помощью вершины и двух точек, дуги и двух отрезков.

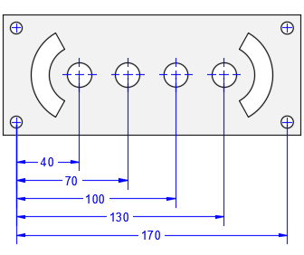
Ординатные размеры позволяют измерить расстояния перпендикулярных проекций от точки отсчета, которая называется базой отсчета, например от отверстия в детали. Вычисление значений этих размеров относительно базы отсчета позволяет избежать возможных ошибок в размерах, связанных с накоплением погрешностей.

В этом примере база отсчета (0,0) соответствует отверстию в левом нижнем углу изображаемой панели.
Размеры длины дуги указывают расстояние вдоль дуги или дугового сегмента полилинии. Типичные применения размеров длины дуги включают измерение расстояния перемещения вокруг шаблона и указание длины кабеля.
Чтобы отличать эти размеры от линейных и угловых, для размеров длины дуги по умолчанию отображается обозначение дуги. Символ дуги, также называемый "шляпка" или "крышка", отображается над или перед размерным текстом.

У размерных цепей начало каждого размера совпадает с концом предыдущего.

Базовые размеры — это несколько размеров со смещенными размерными линиями, измеряемые от одного местоположения.
