Задание базового расстояния от геометрии по объекту, отличного от значения по умолчанию (AutoCAD Mechanical)

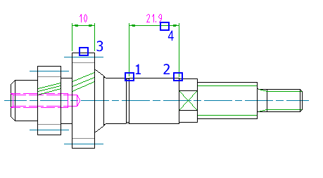
  1. Выберите вкладку "Главная"панель "Размеры"Суперразмеры. найти
  2. Укажите начало первой (1) и второй (2) выносной линии.
  3. На запрос положения размерной линии введите "P".
  4. Выберите объект (3), по которому требуется задать расстояние от геометрии.
  5. Переместите курсор, задавая требуемое положение и ориентацию размера. Щелкните кнопкой мыши для размещения размерной линии (4).
    Прим.:

    При привязке на заданном расстоянии от объекта цвет размерной линии изменяется на красный.

  6. Измените размер с помощью настроек контекстной вкладки "Суперразмеры" на ленте или перейдите на вкладку "Суперразмеры"раскрывающийся список "Стандартный". найти и выберите стандартный шаблон размерного текста.
  7. Выберите вкладку "Суперразмеры"панель "Закрыть"Закрыть редактор. найти