Рекомендуемые значения
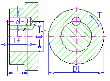
d = (0,12 -0,25) D
l = (1 - 1,5) D
Активная длина штифта
Активная длина штифта l f - это длина, уменьшенная в результате снятия фасок и сопряжения. Активная длина, как правило, принимает на себя всю нагрузку.
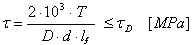
Формулы для метрических единиц
Передаваемый крутящий момент
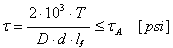
Проверка напряжения сдвига
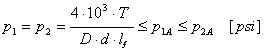
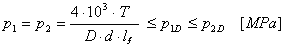
Проверка контактного давления
Где:
|
P |
передаваемая мощность [кВт] |
|
|
n |
скорость [об/мин] |
|
|
T |
крутящий момент [Нм] |
|
| τ |
напряжение среза [MПa] |
|
|
τ A |
допустимое напряжение среза [MПa] |
|
|
d |
диаметр штифта [мм] |
|
|
p 1 |
давление в вале [МПа] |
|
|
p 2 |
давление в ступице [МПа] |
|
|
p 1A |
допустимое давление в вале [МПа] |
|
|
p 2A |
допустимое давление в ступице [МПа] |
|
|
D |
диаметр вала [мм] |
|
|
D 1 |
диаметр ступицы [мм] |
|
|
l f |
активная длина штифта [мм] |
Формулы для британских единиц
Передаваемый крутящий момент
Проверка напряжения сдвига
Проверка контактного давления
Где:
|
P |
передаваемая мощность [л.с.] |
|
|
n |
скорость [об/мин] |
|
|
T |
крутящий момент [фн фт] |
|
| τ |
напряжение среза [фунт/кв.дюйм] |
|
|
τ A |
допустимое напряжение среза [фунт/кв.дюйм] |
|
|
d |
диаметр штифта [д] |
|
|
p 1 |
давление в вале [фунт/кв.дюйм] |
|
|
p 2 |
давление в ступице [фунт/кв.дюйм] |
|
|
p 1A |
допустимое давление в вале [фунт/кв.дюйм] |
|
|
p 2A |
допустимое давление в ступице [фунт/кв.дюйм] |
|
|
D |
диаметр вала [д] |
|
|
D 1 |
диаметр ступицы [д] |
|
|
l f |
активная длина штифта [д] |