Seznamte se se základními ovládacími prvky aplikace AutoCAD a AutoCAD LT.
Po spuštění aplikace AutoCAD nebo AutoCAD LT kliknutím na tlačítko Zahájit kreslení začněte nový výkres.

Všimněte si standardního pásu karet v horní části kreslicí plochy. Téměř všechny příkazy popsané v této příručce máte k dispozici na kartě Výchozí. Kromě toho najdete na panelu nástrojů Rychlý přístup, který je zobrazen níže, dobře známé příkazy, například příkazy Nový, Otevřít, Uložit, Tisk a Zpět.

Jádrem aplikace je příkazové okno, které je obvykle ukotveno v dolní části okna aplikace. Příkazové okno zobrazuje výzvy, možnosti a zprávy.

Místo vyhledávání na pásu karet, na panelech nástrojů a v nabídkách můžete příkazy zadávat přímo v příkazovém okně. Mnoho letitých uživatelů dává přednost této metodě.
Všimněte si, že když začnete psát název příkazu, text je automaticky dokončen. Když je k dispozici několik možností, například v následujícím příkladu, můžete požadovanou možnost zvolit kliknutím nebo pomocí kláves se šipkami a následným stisknutím klávesy Enter nebo mezerníku.

Většina lidí používá jako ukazovací zařízení myš, ale i ostatní zařízení mají ekvivalentní ovládací prvky.

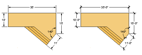
Své výkresy můžete snadno přizpůsobit průmyslovým normám nebo normám společnosti tak, že upravíte nastavení textu, kót, typů čar a dalších funkcí. Například tento návrh terasy zobrazuje dva různé kótovací styly.

Všechna tato nastavení lze uložit do souboru šablony výkresu. Klikněte na tlačítko Nový a vyberte si z několika souborů šablon výkresu:


Soubory výukových šablon v seznamu slouží jako jednoduché příklady pro architektonické nebo strojírenské návrhy s britskými (i) nebo metrickými (m) jednotkami. Můžete s nimi libovolně experimentovat.
Většina společností používá soubory šablon výkresu, které vyhovují jejich podnikovým normám. Často používají různé soubory šablon výkresu pro různé projekty nebo klienty.
Libovolný výkresový soubor (.dwg) můžete uložit jako soubor šablony výkresy (.dwt). Můžete také otevřít existující soubor šablony výkresu, tuto šablonu upravit a znovu ji uložit (v případě potřeby pod jiným názvem).

Jestliže pracujete samostatně, můžete vytvářet soubory šablon výkresu, které budou vyhovovat vašim aktuálním pracovním potřebám, a postupně k nim přidávat nastavení pro další funkce, jak se s nimi budete seznamovat.
Chcete-li upravit existující soubor šablony výkresu, klikněte na tlačítko Otevřít, v dialogu Vybrat soubor zvolte položku Šablona výkresu (*.dwt) a vyberte soubor šablony.

Při spuštění nového výkresu je nutné určit, jaká bude délka jedné jednotky – palec, stopa, centimetr, kilometr nebo jiná jednotka délky. Například objekty na obrázku níže mohou představovat dvě budovy o délce 125 stop, nebo průřez mechanickou součásti měřený v milimetrech.

Jakmile se rozhodnete, které jednotky délky chcete používat, můžete pomocí příkazu JEDNOTKY upravit řadu nastavení zobrazení jednotek, například následující:
Jestliže plánujete pracovat ve stopách a palcích, nastavte pomocí příkazu JEDNOTKY typ jednotek na možnost Architektura a při vytváření objektů potom zadávejte jejich délky v palcích. Jestliže plánujete používat metrické jednotky, ponechte typ jednotek nastavený na možnosti Desetinné. Změna formátu a přesnosti jednotek nemá vliv na vnitřní přesnost výkresu. Tato změna ovlivní pouze způsob zobrazení délek, úhlů a souřadnic v uživatelském rozhraní.
Vždy vytvářejte modely v plném měřítku (1:1). Termín model odkazuje na geometrii vašeho návrhu. Výkres obsahuje geometrii modelu spolu s pohledy, poznámkami, kótami, odkazovacími bloky, tabulkami a rohovými razítky zobrazenými v rozvržení.
Měřítko pro tisk výkresu na list standardních rozměrů určíte až později při vytváření rozvržení.

Stisknutím klávesy Esc zrušíte tuto operaci předvýběru.