Nastavení kroku vzdálenosti vycházejícího z jiného než výchozího objektu (AutoCAD Mechanical Toolset)

  1. Klikněte na kartu Výchozípanel KótaPower kóta. Hledat
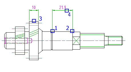
  2. Určete počátek první (1) a druhé (2) vynášecí čáry.
  3. Po zobrazení výzvy k zadání umístění kótovací čáry zadejte P.
  4. Vyberte objekt (3), ze kterého má krok vzdálenosti vycházet.
  5. Umístěte ukazatel dle požadované polohy a orientace kóty. Kliknutím umístěte kótovací čáru (4).
    Poznámka:

    Kótovací čára se zbarví červeně, když je překročena její přednastavená vzdálenost od objektu.

  6. Proveďte potřebné úpravy kót pomocí nastavení na kontextové kartě pásu karet Power kótování nebo klikněte na kartu Power kótovánírozevírací nabídka Předdefinované Hledata vyberte předdefinovanou šablonu textu kóty.
  7. Klikněte nakartu Power kótovánípanel ZavřítUkončit editor. Hledat