Aplikace AutoCAD Mechanical toolset seskupuje všechna nastavení řídící se normou kreslení a ukládá je do profilu, kterému se říká norma.
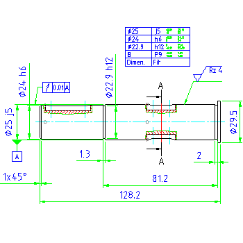
Aplikace AutoCAD Mechanical toolset obsahuje osm takových profilů (ANSI, BSI, ČSN, DIN, GB, ISO JIS a GOST), z nichž každý je nakonfigurován tak, aby se shodoval s příslušnou normou kreslení. Tato nastavení určují způsob, jakým nástroje integrované v aplikaci AutoCAD Mechanical toolset vytvářejí geometrii. Proto o aplikaci AutoCAD Mechanical toolset řekneme, že je založena na normách. Následující obrázek znázorňuje výkres hřídele vytvořeného podle nastavení platných pro normu DIN. Povšimněte si poznámek, které odpovídají požadavkům normy DIN.

Aplikace AutoCAD Mechanical toolset je založena na normách, proto je nezbytně nutné k výkresu přiřadit normu kreslení. Při vytváření výkresu aplikace AutoCAD Mechanical toolset automaticky přiřadí normu kreslení.
Pokud otevřete výkres vytvořený v aplikaci AutoCAD nebo pokud vytvoříte nový výkres pomocí šablony AutoCAD (soubor DWT), aplikace AutoCAD Mechanical toolset tomuto výkresu přiřadí nejvhodnější normu (viz také níže uvedené pojednání o „Provádění předefinování norem a vlastních normách dostupných pro jiné výkresy“). Výkresovou normu můžete snadno změnit.
Výkresová norma řídí následující prvky normy:
Kterákoli nastavení, která jsou závislá na normách, můžete přepsat tak, aby splňovala specifické požadavky. Přepsaná nastavení program ukládá společně s normou. Po přepnutí na jinou normu se aktivují prvky nové normy. Pokud normu změníte uprostřed kreslicí relace, u objektů, které již ve výkresu existují, se tato změna neprojeví. Nově vybranou normou se budou řídit pouze nové objekty. Pokud přejdete zpět k původní normě, opět se aktivují předchozí platná nastavení.
Při přepsaní prvku normy aplikace AutoCAD Mechanical toolset příslušný přepis ověří. V určitých případech může zabránit vzniku nastavení, které porušuje příslušnou normu. Chcete-li proces ověření obejít, vytvořte vlastní normu a vyberte ji jako aktuální výkresovou normu.
například norma ANSI omezuje výběr výšek textu na hodnoty 0,1, 0,12 a 0,24. Chcete-li použít jinou výšku textu, vytvořte vlastní normu vycházející z normy ANSI. Vlastní norma vám pak umožní měnit výšku textu na jakoukoli hodnotu. Všechna ostatní nastavení odpovídají normě ANSI.
Chcete-li zpřístupnit vlastní normu či přepis norem v nově vytvářených výkresech, uložte je do šablony výkresu (DWT). Pokud nastavíte tuto šablonu jako výchozí šablonu, budou při každém otevření výkresu AutoCAD nebo vytvoření výkresu založeného na šabloně AutoCAD použita nastavení závislá na normě uložené v této výchozí šabloně. Jestliže dojde k rozporu v jednotkách výchozí šablony a šablony či výkresu AutoCAD, aplikace AutoCAD Mechanical toolset se zachová, jakoby k žádnému nastavení výchozí šablony nedošlo. Jestliže není nastavená žádná výchozí šablona, aplikace AutoCAD Mechanical toolset přiřadí normu ANSI (výkres v imperiálních jednotkách) nebo ISO (výkres v metrických jednotkách).
Nastavení můžete importovat také z výkresové šablony (DWT), a to pomocí příkazu AMSETUPDWG. Import nastavení uprostřed kreslicí relace odpovídá změně výkresové normy nebo změně prvků normy uprostřed kreslicí relace.