Sie können verschiedene Bemaßungstypen für eine Vielzahl von Objekttypen in vielen verschiedenen Richtungen und Ausrichtungen erstellen.
Die grundlegenden Typen der Bemaßung sind Linear-, Radial-, Winkel-, Koordinaten- und Bogenlängen. Verwenden Sie den Befehl BEM, um Bemaßungen automatisch entsprechend dem Objekttyp zu erstellen, den Sie bemaßen möchten.
Die Darstellung von Bemaßungen kann gesteuert werden, indem Bemaßungsstile festgelegt oder in bestimmten Fällen einzelne Bemaßungen bearbeitet werden. Mit Bemaßungsstilen können Sie Ihre Konventionen schnell und einfach angeben und die Bemaßungen an Branchen- oder Projektstandards anpassen.
Linearbemaßungen können horizontal, vertikal oder ausgerichtet sein. Sie können mit dem Befehl BEM eine ausgerichtete, horizontale oder vertikale Bemaßung erstellen, je nachdem, wie Sie den Cursor beim Einfügen des Texts bewegen.


Eine Radialbemaßung bemaßt den Radius oder Durchmesser von Bogen und Kreisen mithilfe einer optionalen Mittellinie oder eines optionalen Zentrumspunkts. Mehrere Optionen sind in der Abbildung dargestellt.

Bei Winkelbemaßungen wird der Winkel zwischen zwei geometrischen Objekten oder drei Punkten gemessen. Von links nach rechts zeigt das Beispiel Winkelbemaßungen mit einem Scheitelpunkt und zwei Punkte, einem Bogen und zwei Linien.

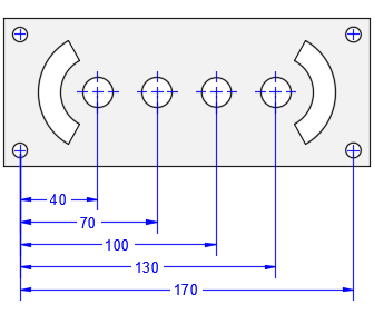
Mithilfe von Koordinatenbemaßungen werden die lotrechten Abstände von einem Ursprungspunkt, dem Bezugspunkt, gemessen, wie zum Beispiel einer Aussparung in einem Bauteil. Diese Bemaßungen verhindern kumulierte Fehler, da mit ihrer Hilfe exakte Abstände zwischen Zeichnungselementen und dem Bezugspunkt eingehalten werden.

In diesem Beispiel wird der Bezugspunkt (0,0) als Bohrung in der linken unteren Ecke der abgebildeten Leiste angezeigt.
Mit Bogenlängenbemaßungen messen Sie den Abstand entlang eines Bogens oder Bogensegments einer Polylinie. Zu den typischen Verwendungen von Bogenlängenbemaßungen gehört das Messen der Verschiebbarkeit um eine Kurvenscheibe oder die Angabe der Länge eines Kabels.
Um sie von Linear- oder Winkelbemaßungen zu unterscheiden, werden Bogenlängenbemaßungen vorgabemäßig durch ein Bogensymbol gekennzeichnet. Das Bogensymbol, auch Mütze oder Kappe genannt, wird entweder über oder vor dem Bemaßungstext angezeigt.

Kettenbemaßungen, die auch als verkettete Bemaßungen bezeichnet werden, bestehen aus mehreren Bemaßungen, die jeweils am Endpunkt der vorangegangenen Bemaßung beginnen.

Bei Basislinienbemaßungen werden mehrere Bemaßungen mit versetzten Maßlinien von derselben Position aus gemessen.

Führungslinienverlängerungen, Bemaßungskomponenten und Textobjekte bestimmen ihre horizontale und vertikale Richtung aus den BKS-Achsen zum Zeitpunkt ihrer Erstellung. Wenn Sie eine gedrehte Zeichnungsansicht haben, können Sie mit der Option BKS/Ansicht die horizontale und vertikale Richtung relativ zur Zeichnung festlegen, anstatt zur gedrehten Ansicht.