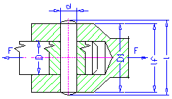
Empfohlene Werte
d = (0.2 -0.3) D
D 1 = (1.5 - 2) D - für Stahl und Gussstahl
D 1 = 2.5 D - für graues Gusseisen
Aktive Stiftlänge
Die aktive Stiftlänge l f ist eine um Fasen und Rundungen reduzierten Länge. Die aktive Länge überträgt in der Regel die Belastung.
Formeln
Kontrolle der Scherspannung
Kontrolle des Kontaktdrucks
Bedeutung der Symbole für metrische Einheiten:
| τ | 
 Scherspannung [MPa]  | 
| 
 τ A  | 
 Zulässige Scherspannung [MPa]  | 
| 
 d  | 
 Stiftdurchmesser [mm]  | 
| 
 p 1  | 
 Druck in der Zugstange [MPa]  | 
| 
 p 2  | 
 Druck in der Muffe [MPa]  | 
| 
 p 1A  | 
 Zulässiger Druck in der Muffe [MPa]  | 
| 
 p 2A  | 
 Zulässiger Druck in der Zugstange [MPa]  | 
| 
 D  | 
 Zugstangendurchmesser [mm]  | 
| 
 D 1  | 
 Muffendurchmesser [mm]  | 
Bedeutung der Symbole für englische Einheiten:
| τ | 
 Scherspannung [psi]  | 
| 
 τ A  | 
 Zulässige Scherspannung [psi]  | 
| 
 d  | 
 Stiftdurchmesser [in]  | 
| 
 p 1  | 
 Druck in der Zugstange [psi]  | 
| 
 p 2  | 
 Druck in der Muffe [psi]  | 
| 
 p 1A  | 
 Zulässiger Druck in der Muffe [psi]  | 
| 
 p 2A  | 
 Zulässiger Druck in der Zugstange [psi]  | 
| 
 D  | 
 Zugstangendurchmesser [in]  | 
| 
 D 1  | 
 Muffendurchmesser [in]  |