Aktive Stiftlänge
Die aktive Stiftlänge l f ist eine um Fasen und Rundungen reduzierten Länge. Die aktive Länge überträgt in der Regel die Belastung.
Formeln
Kontrolle der Scherspannung
Kontrolle des Kontaktdrucks
Bedeutung der Symbole für metrische Einheiten:
| τ | 
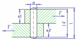
 Scherspannung [MPa]  | 
| 
 τ A  | 
 Zulässige Scherspannung [MPa]  | 
| 
 d  | 
 Stiftdurchmesser [mm]  | 
| 
 p 1  | 
 Druck in der oberen Platte [MPa]  | 
| 
 p 2  | 
 Druck in der unteren Platte [MPa]  | 
| 
 p 1A  | 
 Zulässiger Druck in der oberen Platte [MPa]  | 
| 
 p 2A  | 
 Zulässiger Druck in der unteren Platte [MPa]  | 
| 
 s 1  | 
 Dicke der oberen Platte [mm]  | 
| 
 s 2  | 
 Dicke der unteren Platte [mm]  | 
Bedeutung der Symbole für englische Einheiten:
| τ | 
 Scherspannung [psi]  | 
| 
 τ A  | 
 Zulässige Scherspannung [psi]  | 
| 
 d  | 
 Stiftdurchmesser [in]  | 
| 
 p 1  | 
 Druck in der oberen Platte [psi]  | 
| 
 p 2  | 
 Druck in der unteren Platte [psi]  | 
| 
 p 1A  | 
 Zulässiger Druck in der oberen Platte [psi]  | 
| 
 p 2A  | 
 Zulässiger Druck in der unteren Platte [psi]  | 
| 
 s 1  | 
 Dicke der oberen Platte [in]  | 
| 
 s 2  | 
 Dicke der unteren Platte [in]  |