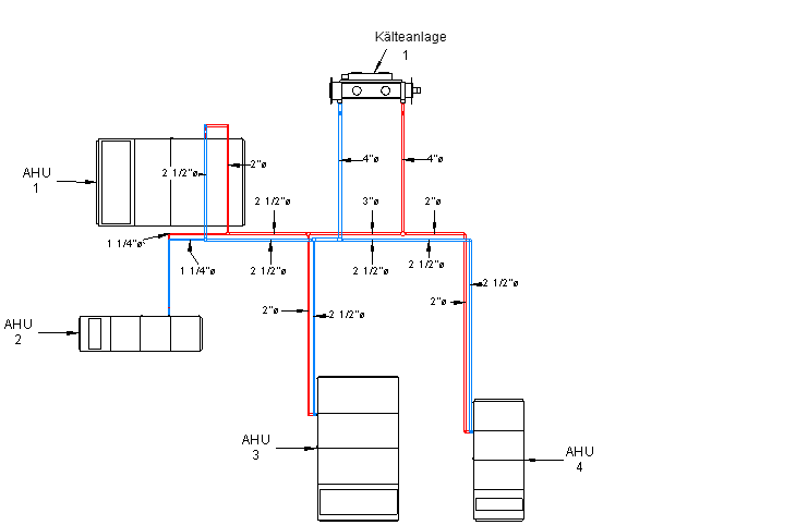
Die folgenden Abbildungen zeigen die Ergebnisse der Größenbestimmung für flüssigkeitsführende Rohre mit unterschiedlichen Methoden.

Vor der Größenänderung

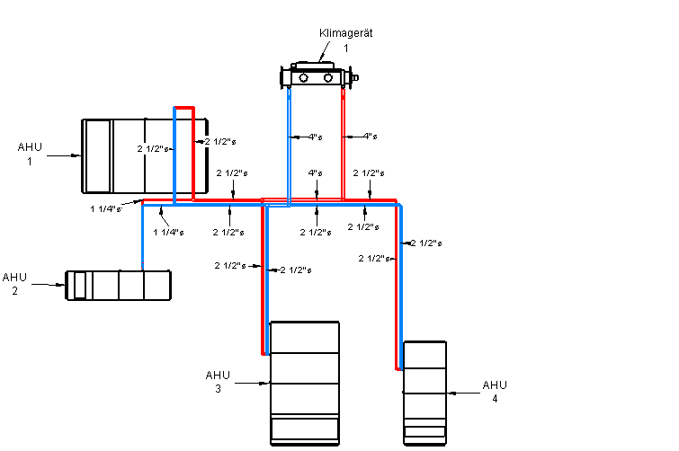
Nach der Größenänderung

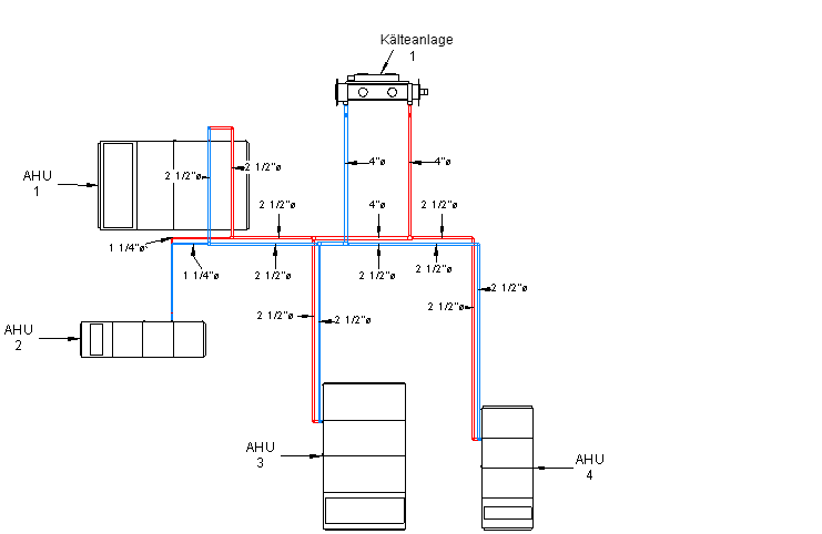
Vor der Größenänderung

Nach der Größenänderung

Vor der Größenänderung

Nach der Größenänderung

Vor der Größenänderung

Nach der Größenänderung

Vor der Größenänderung

Nach der Größenänderung