About the Table Cross-Reference Format

When you use the table cross-reference format style, the preview image changes to show what the cross-reference looks like in the drawing.

Graphic Font Format:

Displays the cross-reference format using the JIC-style or IEC-style graphical font. The setting is applied to the graphical font regardless of the tagging mode assigned in the project properties.

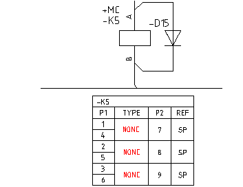
The following examples display the table cross-referencing using the graphic font format inside the table style. The Fill Reference With value is "SP" for unused children (contacts).

JIC

IEC

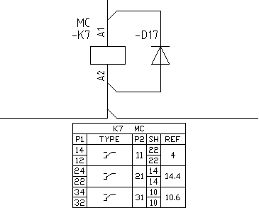
Contact Mapping Format:

Displays the cross-reference format using cross-referencing type values (NO, NC, NONC).

JIC

IEC

Symbol Mapping Format:

Displays the cross-reference format using an AutoCAD block (.dwg) file to represent the contact type. The _XREF_GRAPHICS table in the catalog lookup database defines the symbol mapping. The schematic library folders for the active project are searched for the mapped symbols for insertion.

JIC

IEC

Form C contacts and tables

A typical type of contact is a Form C contact type. It is comprised of 2 contacts; 1 open and 1 closed where they share a common terminal pin number. You can choose to insert both of the Form C contacts as two individual symbols, or together as one symbol.

Example: Two symbols make up the Form C contact

The common pin is on the right-hand side next to the referencing column and displays in the P2 column of the table.

JIC

IEC

Note: If using the symbol mapping method, a single symbol represents the Form C contact, even if two separate contacts are inserted.

Example: Single symbol makes up the Form C contact

The common pin is on the right-hand side next to the referencing column and displays in the P2 column of the table.

JIC

IEC

Replaceable Parameters in Table Title

The table style cross-referencing provides support for replaceable parameters to define and display in the table title. Some AutoCAD Electrical toolset commands take it into account when modifications are made to the drawing.

Delete Component

If a component with a cross-reference table is deleted, the table is also deleted from the drawing.

Component Retag

If a component is retagged (retag, move component, move circuit, edit component) the cross-reference table updates if the tag is part of the title.

Edit Component

If a replaceable parameter is modified for a component that has a cross-reference table, the table title updates to reflect the changes.

Copy Catalog Assignment

When copying a different catalog number to a parent symbol, the PINLIST and contact count may update and the cross-reference table updates in real time.

Combined Installation/Location Tagging Mode

If drawing-wide Location or Installation values change, the cross-reference table title updates to reflect the changes.

Copy Circuit

If a circuit with a cross-reference table is copied, the table title updates with the new tag values.

Insert Component

If inserting a parent component with a cross-reference table, the table inserts at the cross-reference attribute locations (XREF and XREFNO). If inserting a child component, the cross-reference table updates for the parent component.

Scoot

If scooting a parent component with a cross-reference table, the table also scoots along the wire.

Note: If you change the component catalog number or add a multiple BOM catalog number to the component (both change the Pin List data) the cross-reference table updates as soon as you exit out of the Insert/Edit Component dialog box. Additionally, if you modify the Pin List manually on the parent component, the cross-reference table updates with the new pin numbers and the modified contact count once the Insert/Edit Component dialog box is exited.

Commands that do not support real-time cross-reference updates include: