Insert a connector across existing wires.
Now that you wired the connectors together, you insert in-line connectors to group the wires.
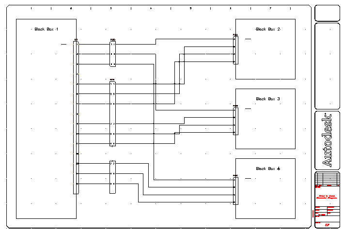
Insert in-line connectors


. Find
Pin Spacing: 1.0
Pin Count: 3
At Wire Crossing
Pin List: 1
Insert All

Specify insertion point or [Z=zoom, P=pan, X=wire crossing, V=horizontal/vertical, TAB=flip]:
Select to place the connector on the wires connected to PJ1, Pins 1-3



. Find
Pin Spacing: 1.0
Pin Count: 9
At Wire Crossing
Pin List: 1
Allow Spacers/Breaks
Specify insertion point or [Z=zoom, P=pan, X=wire crossing, V=horizontal/vertical, TAB=flip]:
Select to place the connector starting on the line at PJ1, Pin 5
Notice how the connector expands when you cross the wires.
The dialog box displays which connector pin has been inserted so far. Keep clicking Insert Next Connection until you place six of the nine connections.

Specify insertion point or [Z=zoom, P=pan, X=wire crossing, V=horizontal/vertical, TAB=flip]:
Select to place the connector starting on the line at PJ1, Pin 13




. Find
Component to link from: Select the bottom portion of PJ6 (1)
component to link to: Select the top portion of PJ6 (2), right-click
