

. Find
(Optional) For pin count, click Pick and draw a fence showing the length of the appropriate connector.
The preview image updates to reflect your changes to the connector display options.
A preview outline of the connector displays for placement on the drawing. It shows rounded corners for the plug side of the connector. An 'x' indicates the insertion point of the connector and the arrow indicates the plug side wire connection direction.
If you selected to allow spacers/breaks, in the Custom Pin Spaces/Breaks dialog box, click Break Symbol Now to break the connector and display the Connector Layout dialog box for defining how you want the rest of the pins inserted on the drawing.


. Find
If you select Yes (default), the attribute text orientation does not rotate as the connector rotates.
The connector automatically rotates 90 degrees.
Example: Hold attribute orientation = yes
![]() |
![]() |
![]() |
![]() |
|
Original |
First Rotate |
Second Rotate |
Third Rotate |
Example: Hold attribute orientation = no
![]() |
![]() |
![]() |
![]() |
|
Original |
First Rotate |
Second Rotate |
Third Rotate |


. Find
The connector automatically reverses depending on its original orientation.


. Find
Tips and Hints


. Find


. Find
The next available pin numbering is based on the existing pins and an optional pin list associated to the selected connector. The PINLIST values defined on the parent symbol are queried in the project database to determine the next available pin number on the connector component. This checks across the entire project to find the pin numbers used on both parent and any child connector symbols. If a PINLIST value is not defined, then the next available sequential pin number (based on existing pins) is used. Pin assignments can be numbers or letters or combinations of both.
Tips and Hints


. Find
The pin number attribute on the connector block disappears. This attribute along with associated wire connection and description attributes are not immediately removed from the connector. They are renamed so that they are effectively ignored. If the connector is subsequently stretched or split, then these deleted pin attributes are purged from the connector block instance.


. Find
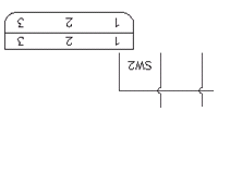
Temporary graphics are drawn around the selected pin number indicating that it has been included in the "swap" list.
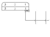
The connector pins are swapped between the two selections.


. Find
The pin relocates along the connector's centerline axis, even if your pick point is far off to one side of the connector. You can also specify a location beyond either end of the current connector shell, and then use the Stretch Connector tool to extend the shell to enclose these pins.


. Find