Active Pin Length
The pin active length l f is a length reduced by chamfering and filleting. The active length usually carries loading.
Formulas
Shear stress check
Contact pressure check
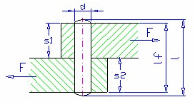
Interpretations of symbols in metric units:
| τ |
shear stress [MPa] |
|
τ A |
allowable shear stress [MPa] |
|
d |
pin diameter [mm] |
|
p 1 |
pressure in the top board [MPa] |
|
p 2 |
pressure in the bottom board [MPa] |
|
p 1A |
allowable pressure in the top board [MPa] |
|
p 2A |
allowable pressure in the bottom board [MPa] |
|
s 1 |
thickness of the top board [mm] |
|
s 2 |
thickness of the bottom board [mm] |
Interpretations of symbols in English units:
| τ |
shear stress [psi] |
|
τ A |
allowable shear stress [psi] |
|
d |
pin diameter [in] |
|
p 1 |
pressure in the top board [psi] |
|
p 2 |
pressure in the bottom board [psi] |
|
p 1A |
allowable pressure in the top board [psi] |
|
p 2A |
allowable pressure in the bottom board [psi] |
|
s 1 |
thickness of the top board [in] |
|
s 2 |
thickness of the bottom board [in] |