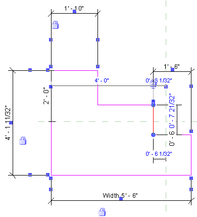
Las cotas de boceto automáticas están desactivadas por defecto. Aparecen si la familia tiene al menos una cota etiquetada.
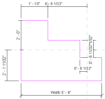
En la imagen siguiente observará que hay una cota añadida a la geometría; sin embargo, la cota carece de texto de etiqueta.

Las cotas de boceto automáticas no son visibles.
Para activar la visibilidad de las cotas de boceto automáticas
grupo Gráficos
(Visibilidad/Gráficos) o escriba VG. Aparecen las cotas de boceto automáticas.

Revit LT sabe dónde está cada línea de esta geometría con relación a los planos de referencia u otras líneas de boceto.
Al añadir cotas bloqueadas, estas sustituyen a las cotas de boceto automáticas, como se muestra a continuación.
