Cet élément de profil type recouvre un côté de la route existante et ajoute une ou plusieurs voies de circulation aux bords à l'aide d'une pente de dévers définie pour la voie de circulation extérieure.

Le point d'association est situé sur le bord intérieur du haut de la couche de recouvrement, si le paramètre Profondeur de recouvrement est non nul. Il est placé sur le bord intérieur de la surface finale de la voie d'élargissement, si le paramètre Profondeur de recouvrement est égal à zéro.
Remarque : toutes les cotes sont indiquées en mètres ou en pieds, sauf indication contraire. Toutes les pentes sont exprimées sous la forme x:y (par exemple, 4 : 1), sauf si elles sont exprimées en pourcentage avec un signe %.
|
Paramètre |
Description |
Type |
Par défaut |
|---|---|---|---|
|
Décalage du point de contrôle |
Décalage du point de contrôle définissant le début de la couche de recouvrement de la chaussée |
Numérique |
0.0 |
|
Insérer un décalage de point |
Décalage du point d'insertion de la voie d'élargissement située par défaut sur le bord de la chaussée existant. Si la valeur de ce paramètre est positive, l'élément de profil type est inséré du côté droit d'un projet 3D ou d'une ligne de base de contrôle. Cet élément est inséré du côté gauche si la valeur est négative. Pour plus d'informations, reportez-vous à "Insertion d'éléments de profil type à droite et à gauche d'un projet 3D" dans le chapitre Projets 3D du manuel d'utilisation d'Autodesk Civil 3D. |
Numérique |
0.0 |
|
Profondeur de recouvrement |
Profondeur du recouvrement au-dessus de la surface finale existante au point de contrôle. |
Numérique, positive |
0.100 m 0.30 pied |
|
Largeur |
Largeur de la voie d'élargissement |
Numérique, positive |
3.6 m 12.0 pieds |
|
Profondeur de Roulement |
Epaisseur de la couche Roulement pour la voie d'élargissement ; zéro pour omettre |
Numérique, positive |
0.025 m 0.083 pied |
|
Profondeur de Revêtement2 |
Epaisseur de la couche Revêtement2 pour la voie d'élargissement ; zéro pour omettre |
Numérique, positive |
0.025 m 0.083 pied |
|
Profondeur de base |
Epaisseur de la couche de base pour la voie d'élargissement |
Numérique, positive |
0.100 m 0.333 pied |
|
Profondeur de couche de matériau |
Epaisseur de la couche de matériau pour la voie d'élargissement |
Numérique, positive |
0.300 m 1,0 pied |
Cette section répertorie les paramètres de l'élément de profil type pouvant être mis en correspondance avec un ou plusieurs objets cibles tels qu'une surface, un axe ou un objet de ligne de profil en long dans un dessin. Pour plus d'informations, reportez-vous à la rubrique Pour définir les cibles de projet 3D.
|
Paramètre |
Description |
Etat |
|---|---|---|
|
Surface existante |
Nom de la surface définissant la route existante. Les types d'objet suivants peuvent être utilisés comme cibles pour spécifier la surface : surfaces. |
Obligatoire |
|
Décalage du point de contrôle |
Peut être utilisé pour remplacer le paramètre Décalage du point de contrôle fixe et lier ce point à un axe de décalage. Les types d'objet suivants peuvent être utilisés comme cibles pour indiquer ce décalage : axes, polylignes, lignes caractéristiques du terrain ou figures de topographie. |
Facultatif |
|
Insérer un décalage de point |
Peut être utilisé pour remplacer le paramètre Insérer un décalage de point fixe et lier ce point à un axe de décalage. Les types d'objet suivants peuvent être utilisés comme cibles pour indiquer ce décalage : axes, polylignes, lignes caractéristiques du terrain ou figures de topographie. |
Facultatif |
|
Largeur |
Peut être utilisé pour remplacer le paramètre Largeur fixe de la voie d'élargissement et lier le bord de la voie à un axe de décalage. Les types d'objet suivants peuvent être utilisés comme cibles pour indiquer ce décalage : axes, polylignes, lignes caractéristiques du terrain ou figures de topographie. |
Facultatif |
|
Paramètre |
Description |
Type |
|---|---|---|
|
% pente |
Pente calculée sur la surface existante du point d'échantillonnage au point d'insertion |
Numérique |
Le dévers de la voie extérieure est obtenu à partir des propriétés de l'axe de l'axe de contrôle courant et l'altitude sur la surface existante est déterminée au décalage du point de contrôle.
Si un paramètre Profondeur de recouvrement donné est non nul, la profondeur de recouvrement est appliquée au point de contrôle. Le haut de la couche de recouvrement est prolongé jusqu'au décalage du point d'insertion sur la pente de dévers et la forme de recouvrement est fermée en superposant des liens sur la surface existante entre les points de contrôle et d'insertion, ainsi qu'en ajoutant des liens verticaux à chaque extrémité. La voie d'élargissement est prolongée vers l'extérieur sur la pente de dévers pour la Largeur spécifiée à partir du bord de la surface de recouvrement.
Si le paramètre Profondeur de recouvrement est défini sur zéro, les voies d'élargissement se prolongent vers l'extérieur à partir du décalage du point d'insertion sur la surface existante pour la pente de dévers et la largeur spécifiée.
Les calques de la chaussée sont fermés avec des liens verticaux à chaque extrémité. Un lien vertical unique est également positionné du bord intérieur de la couche de matériau à la surface existante.
En mode d'édition, cet élément de profil type peut être associé à n'importe quel point. La couche de recouvrement présente une profondeur uniforme avec une largeur de 3.6 mètres ou 12 pieds et prolongée pour une pente à -2 %. Si le paramètre Profondeur de recouvrement est défini sur zéro, le recouvrement apparaît sous la forme d'un lien unique. La voie d'élargissement se prolonge du bord du recouvrement à une pente à -2 %.
Lors de l'utilisation du mode de conception du projet 3D, les formes s'ajustent au point de contrôle, point d'insertion, pente de dévers et surface existante sélectionnés.

Le tableau suivant répertorie les codes, pour cet élément de profil type, des points, liens et formes auxquels sont affectés des codes. Les codes des points, liens ou formes auxquels aucun code n'a été affecté ne sont pas inclus dans ce tableau.
|
Point, Lien ou Forme |
Code |
Description |
|---|---|---|
|
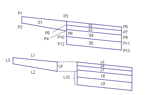
P5 |
ETW |
Bordures extérieures de la voie d'élargissement sur la surface finale |
|
P7 |
ETW_Pave1 |
Bordure extérieure de la voie d'élargissement sur Roulement |
|
P9 |
ETW_Pave2 |
Bordure extérieure de la voie d'élargissement sur Revêtement2 |
|
P11 |
Point de chaussée |
Bordure extérieure de la voie d'élargissement sur la base |
|
P13 |
Point de chaussée |
Bord extérieur de la voie d'élargissement sur couche de matériau |
|
L1, L5 |
Top, Pave |
Surface finale des parties revêtues |
|
L2 |
Renforcement |
Superposé sur des liens sur la surface existante. Remarquez qu'il peut y avoir plusieurs liens entre les points P3 et P4. |
|
L6 |
Pave1 |
|
|
L7 |
Pave2 |
|
|
L8 |
Base |
|
|
L9 |
Forme, Assise des terrassements |
|
|
L10 |
Assise des terrassements |
|
|
S1 |
Renforcement |
Aire entre le recouvrement et la voie existante. |
|
S2 |
Pave1 |
|
|
S3 |
Pave2 |
|
|
S4 |
Base |
|
|
S5 |
Forme |
