Une étiquette de détail constitue un élément d'annotation qui marque l'emplacement d'un repère dans une vue parente.
A l'aide de l'Editeur de familles, créez une famille de marqueurs de détails afin de définir la forme du marqueur de détail, ainsi que les informations qu'il contient.
Dans un projet, créez une étiquette de détail afin de spécifier la famille de marqueurs de détails à utiliser et le rayon des angles de la bulle de détail.
Pour définir le marqueur de détail et le rayon de coin de la bulle de détail, cliquez sur l'onglet Gérer, le groupe de fonctions Paramètres et la liste déroulante Paramètres supplémentaires, puis sélectionnez Etiquettes de détail.
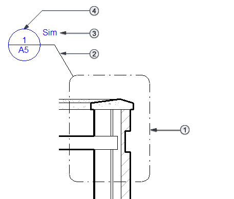
L'étiquette de détail est constitué des parties suivantes :
Bulle de détail. Ligne dessinée autour d'une partie de la vue parente afin de définir la zone du repère.
Ligne de repère. Ligne connectant le marqueur de détail à la bulle de détail.
Libellé de la référence. Pour les repères de référence uniquement. Texte affiché dans une étiquette de détail afin de fournir des informations sur le repère.
Marqueur de détail. Symbole identifiant le repère. Lorsque vous placez le repère sur une feuille, le marqueur de détail affiche par défaut le numéro de détail et le numéro de feuille correspondants.