Többféle típusú méretezést hozhat létre számos objektumtípushoz, különböző tájolásokkal és igazításokkal.
Az alapvető méretezési típusok a következők: lineáris, sugárirányú, szög, koordináta és ívhossz. A MÉRET paranccsal automatikusan hozhat létre méreteket a méretezni kívánt objektum típusa szerint.
Vezérelheti a méretek megjelenését is méretstílusok beállításával vagy különleges esetekben az egyes méretek szerkesztésével. A méretstílusokkal gyorsan meghatározhat konvenciókat, és betarthatja az iparágra vagy projektre jellemző méretezési szabványokat.
A Hosszméretek lehetnek függőlegesek, vízszintesek vagy illesztettek. Illesztett, vízszintes vagy függőleges méretet hozhat létre a MÉRET paranccsal attól függően, hogy hogyan mozgatja a mutatót a szöveg elhelyezésekor.


A sugárméretek a középvonalakkal vagy középpontjelekkel rendelkező vagy anélküli ívek és körök sugarának méretezésére szolgálnak. Az ábrán számos lehetőség látható.

A szögméretek két kiválasztott geometriai objektum vagy három pont által megadott szöget jelölnek. Balról jobbra haladva a példa egy csúcspont és két pont, egy ív, valamint két vonal segítségével létrehozott szögméreteket mutat be.

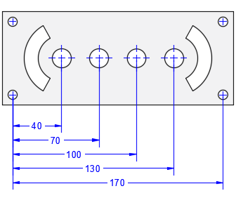
A koordinátaméretek az alapszint nevű kezdőponttól, például egy alkatrészben lévő furattól mért merőleges távolságot mérik. Ezek a méretek csökkentik a hibalehetőséget, mivel az alakzatok helyének meghatározása mindig a bázishoz képest történik.

Ebben a példában az alapszint (0,0) pontját az ábrázolt panel bal alsó sarkában lévő furat jelöli.
Az ívhosszméretek egy ív vagy íves vonalláncszakasz hosszát határozzák meg. Az ívhosszméretek általános felhasználási területe például egy bütyök körüli mozgás hosszának vagy egy kábel hosszának meghatározása.
A hossz- és szögméretektől történő megkülönböztetés érdekében az ívhossz méretek alapértelmezés szerint egy ív szimbólummal jelennek meg. Az ív szimbólum (más néven kalap vagy sapka) általában a méretszöveg felett vagy előtt jelenik meg.

A láncméretek egymás után következő méretek.

A bázisvonalas méretek azonos helyről induló, eltolási méretvonalakkal rendelkező méretek.

A mutatóvégek, a méretek összetevői és a szöveges objektumok a létrehozásukkor az FKR tengelyeiről veszik a vízszintes és függőleges tájolásukat. A rajz egy nézetének elforgatásakor első alkalommal az FKR / Nézet beállítással megadhatja, hogy a vízszintes és függőleges irányok ne az elforgatott nézethez, hanem a rajzhoz képest legyenek értelmezve.