Canale scarico

Il componente sezione tipo Canale scarico inserisce punti e collegamenti per la creazione di un canale di scarico per raccogliere l'acqua lungo una corsia.

Associazione

Il punto di associazione si trova sul bordo interno del canale di scarico. Questo componente può essere collegato al lato sinistro o destro.

Parametri di input

Nota: Tutte le quote sono espresse in metri o in piedi, se non diversamente indicato. Tutte le pendenze sono espresse come rapporto scostamento orizzontale su differenza di quota (ad esempio 4 : 1) a meno che il segno "%" non indichi che vanno espresse in percentuale.

Parametro

Descrizione

Tipo

Default

Side Specifica il lato in cui inserire il componente sezione tipo. Sinistro/Destro Destro

Parametri obiettivo

In questa sezione sono elencati i parametri del componente sezione tipo che è possibile associare ad uno o più oggetti obiettivo. Per ulteriori informazioni, vedere Come specificare obiettivi del modellatore.

Parametro

Descrizione

Stato

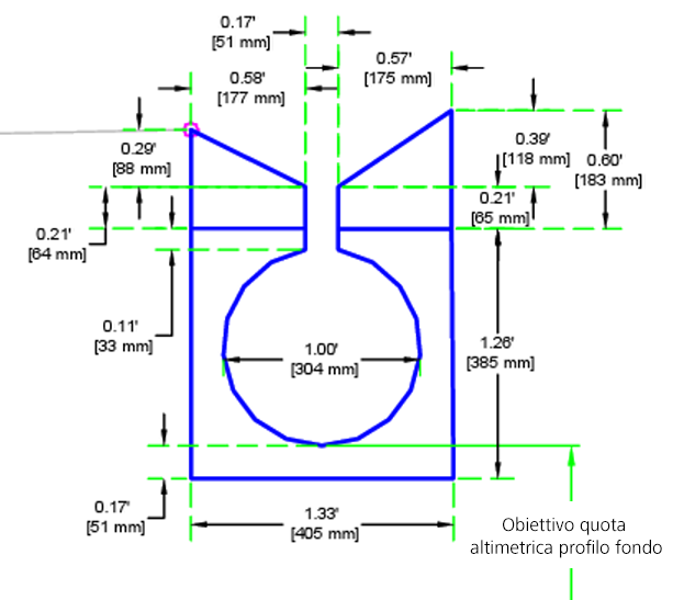
Elevation Può essere utilizzato per sostituire il fondo della condotta. Come obiettivi per la specifica della quota altimetrica è possibile utilizzare i seguenti tipi di oggetti: profili, polilinee 3D, linee caratteristiche o figure di rilievo. Facoltativo

Assegnazioni logiche di esecuzione

Nessuno.

Parametri di output

Nessuno.

Funzionamento

Il punto iniziale è impostato in corrispondenza del punto di associazione. I punti e i collegamenti vengono quindi creati in base ai valori memorizzati nel componente sezione tipo.

Funzionamento in modalità layout

In modalità layout, questo componente sezione tipo disegna il componente sezione tipo.

Codici punto, collegamento e forma

Nella tabella seguente sono elencati i codici punto, collegamento e forma di questo componente sezione tipo ai quali sono assegnati codici. Quelli che non dispongono di codice non sono inclusi nella tabella.

Punto, collegamento o forma

Codice

Descrizione

P1-P4, P9, P10 Calcestruzzo Angoli di calcestruzzo dell'entrata
P5, P8 Calcestruzzo inferiore Angolo inferiore di calcestruzzo
P6, P7 Fanghi Fanghi
P11-P13 Tubo Punti di condotta
L1, L2 Calcestruzzo, Parte superiore Parte superiore di calcestruzzo
L3, L7, L10, L11 Calcestruzzo Calcestruzzo dell'entrata
L5 Fanghi Fanghi nella condotta
L12-L14 Tubo Collegamenti della condotta
S1, S2 Calcestruzzo Calcestruzzo dell'entrata
S3 Fanghi Fanghi intorno alla condotta

Diagramma di codifica