Lunghezza attiva perno
La lunghezza attiva del perno l f è una lunghezza ridotta utilizzando cimatura e raccordi. Generalmente, la lunghezza attiva consente di trasportare carichi.
Formule
Verifica della sollecitazione a taglio
Verifica della pressione di contatto
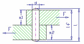
Interpretazioni dei simboli nelle unità metriche:
| τ |
sollecitazione a taglio [MPa] |
|
τ A |
sollecitazione a taglio ammissibile [MPa] |
|
d |
diametro del perno [mm] |
|
p 1 |
pressione nella piastra superiore [MPa] |
|
p 2 |
pressione nella piastra inferiore [MPa] |
|
p 1A |
pressione ammissibile nella piastra superiore [MPa] |
|
p 2A |
pressione ammissibile nella piastra inferiore [MPa] |
|
s 1 |
spessore della piastra superiore [mm] |
|
s 2 |
spessore della piastra inferiore [mm] |
Interpretazioni dei simboli nelle unità inglesi:
| τ |
sollecitazione a taglio [psi] |
|
τ A |
sollecitazione a taglio ammissibile [psi] |
|
d |
diametro del perno [in] |
|
p 1 |
pressione nella piastra superiore [psi] |
|
p 2 |
pressione nella piastra inferiore [psi] |
|
p 1A |
pressione ammissibile nella piastra superiore [psi] |
|
p 2A |
pressione ammissibile nella piastra inferiore [psi] |
|
s 1 |
spessore della piastra superiore [in] |
|
s 2 |
spessore della piastra inferiore [in] |