Opzioni di Annotazione

L'annotazione è il testo della quota :

Utilizzare la pagina Annotazione per modificare le opzioni di annotazione:

Stile - Selezionare uno stile di linea nell'elenco

Tipo di font - Selezionare il font da usare per l'annotazione.

Testo incorporato - Selezionare questa opzione per incorporare il testo nella linea direttrice.

Testo orizzontale - Selezionare questa opzione per cambiare tutto il testo in modo che sia posizionato orizzontalmente al piano principale.

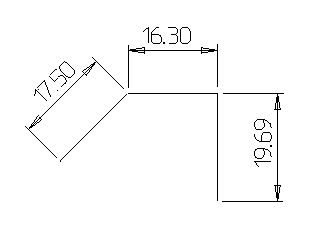
Supponiamo che le quote sian angolate come mostrato qui di seguito:

Quando il testo è modificato su orizzontale, le quote hanno l'aspetto di:

Rapporto gap - Consente di modificare il gap tra la linea direttrice e il testo:

Frazioni - Converte la parte decimale della quota in una frazione, per default all'ottavo più vicino.

Denominatore frazione - Consente di impostare il denominatore della frazione su un particolare valore. È utile se si desidera confrontare valori di quote.

Altezza carattere - Consente di modificare l'altezza del testo.

Passo - Consente di impostare la quantità di spazio tra i caratteri.

Caratteri proporzionali - (solo font DUCT) Quando è selezionato, lo spazio occupato da ogni carattere non è fisso.

Formato dell'angolo - Cambia la modalità di visualizzazione di una quota angolare. È possibile scegliere il formato dell'angolo per visualizzare tutte le quote angolari come una delle seguenti:

Cifre decimali - Le cifre decimali sono il numero di cifre stampate dopo la virgola decimale. In base alle impostazioni di default, i numeri sono stampati fino a due cifre decimali.

Rimuovi zeri in coda - Selezionare questa opzione per rimuovere eventuali zeri in corda, dopo la virgola decimale, dall'annotazione della quota. Questa opzione è deselezionata per default.

Opzioni quote multi-parte - Le seguenti opzioni sono per le quote punto base, catena e ordinate: