概要 - グラフィカル クロスリファレンス形式

クロスリファレンスでグラフィカル形式スタイルを使用する場合、図面内でクロスリファレンスがどのように表示されるかを示すようにプレビュー イメージが変わります。

グラフィック フォント形式:

JIC スタイルまたは IEC スタイル グラフィカル フォントを使用して、クロスリファレンス形式を表示します。この設定は、プロジェクトのプロパティで割り当てられたタグ付けモードに関係なく、グラフィカル フォントに適用されます。挿入したコンポーネントにクロスリファレンスのオーバーライドが指定されていない場合、この設定は図面プロパティから取得されます。

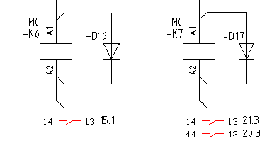
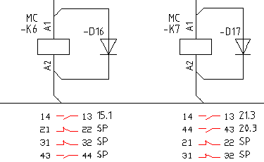
JIC

IEC

次の例は、クロスリファレンスを親シンボルの横にグラフィックフォント形式で表示しています。また、未使用の子(接点)は個々のリファレンスとして表示しています。[次のように表示]の値は "SP" です。

JIC

IEC

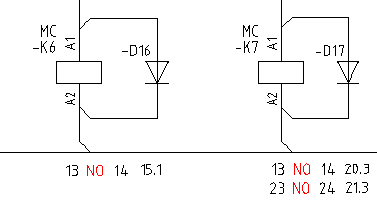
接点の表示形式:

次の例は、クロスリファレンス タイプ値(NO、NC、NONC)を使用したクロスリファレンス形式を示しています。

JIC

IEC