練習 B4: REM コマンドを使用して部品を修正する

この練習では、REM コマンドを使用してラスター イメージを修正する方法を学びます。

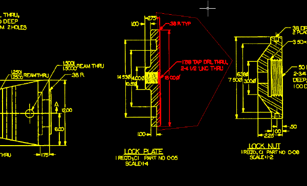
ここでは、ドリル治具の部品であるロック プレートを修正します。具体的には、ロック プレート背面を厚くし、次に厚さの変更に合わせて寸法値を修正します。

関連する練習

この練習を行う前に、AutoCAD Raster Design toolsetのオプションが「練習 A1: AutoCAD Raster Design Toolsetのオプションを設定する」で説明したとおりに設定されていることを確認する必要があります。

練習

  1. ¥Tutorial3 フォルダ内の図面ファイル REM_05.dwg を開きます。
  2. [表示]メニュー[ビュー管理]を選択します。 現在のビューを TU_lock_plate に設定します。

    ロック プレートを 2 つの部分に分割する

  3. 必要な場合は、[ラスター図形処理]ツールバーを表示します。
  4. [ラスター図形処理] [ポリゴン領域作成]をクリックします。
  5. ロック プレートの最も薄い部分を 2 つに分ける垂直の線分を含み、かつ部品の右側にある寸法値を含むポリゴンを描きます。[Enter]を押します。
  6. m と入力して REM オブジェクトを正確に 0.25 インチ右に移動します。これを行うには、[移動距離]オプションを使用し、移動距離を 0.25,0,0 と指定します。

    この操作により、ラスター イメージ内にギャップが生じます。部品に他の変更を行うには、その前に領域オブジェクトをイメージに合成する必要があります。

  7. 領域オブジェクトを選択し、右クリックして、ショートカット メニューから[ラスター イメージに合成]を選択します。

    上部の水平線を閉じる

  8. [表示]メニュー[ビュー管理]を選択します。 現在のビューを TU_2.75 に設定します。
  9. [ラスター図形処理] [線分]を選択し、ロック プレート上部の水平線を選択します。

    線分がプリミティブ オブジェクトになります。

  10. プリミティブ オブジェクトを選択し、右側のグリップを選択します。次に、その線分をストレッチして 0.25 インチの隙間を閉じます。
  11. プリミティブ オブジェクトを選択し、右クリックして[ラスター イメージに合成]をクリックします。

    下部の水平線を閉じる

  12. [表示]メニュー[ビュー管理]を選択します。 現在のビューを TU_bottom に設定します。
  13. [ラスター図形処理] [線分]を選択し、ロック プレート下部の水平線を選択します。

    線分がプリミティブ オブジェクトになります。

  14. プリミティブ オブジェクトを選択し、右側のグリップを選択します。次に、その線分をストレッチして 0.25 インチの隙間を閉じます。
  15. プリミティブ オブジェクトを選択し、右クリックして[ラスター イメージに合成]をクリックします。

    ねじ山の線を閉じる

  16. [表示]メニュー[ビュー管理]を選択します。 現在のビューを TU_thread に設定します。
  17. [ラスター図形処理] [長方形領域]をクリックします。
  18. 何本かのねじ山の線を囲むような幅の狭い長方形を描きます。

    次に、このオブジェクトを複写して、ねじ山の線の隙間を埋めることができます。

  19. COPY[複写]コマンドを使用して、領域オブジェクトを複写します。
  20. 領域オブジェクトの複製を、ねじ山の隙間を埋めるように配置します。
  21. 複写先の領域オブジェクトを選択し、右クリックして[ラスター イメージに合成]をクリックします。
  22. 右クリックし、ショートカット メニューから[REM][すべて選択解除]を選択します。

    寸法値を置換する

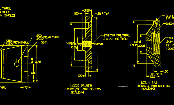
    次は、変更されたロック プレートの厚さを反映して、寸法値を 2.75 から 3.00 に変更します。

  23. [表示]メニュー[ビュー管理]を選択します。 現在のビューを TU_2.75 に設定します。
  24. [画層プロパティ管理]を使用し、TU_image_new を現在の画層に設定します。
  25. [ラスター]メニュー[ベクトル化ツール][文字]を選択します。 次に、数字の 2 の左下の点を選択します。

    クロスヘア カーソルは、新しい寸法値を配置するための挿入点の場所を示しています。

  26. [ベクトル文字記入を編集]ダイアログ ボックスに、3.00 を入力し、[OK]をクリックします。

    AutoCAD Raster Design toolsetによって、指定した点に新しい寸法値が記入されます。コマンド ラインに、ラスター文字を削除するスマート ウインドウ オプションが表示されたことに注意してください。ラスター文字 2.75 を削除するために次回もこの方法を使用します。

  27. 旧寸法値の周りに窓を描きます。矢印の先の一部が窓の中に入っても問題はありません。スマート選択方法によって除外されます。削除する寸法値がハイライト表示されていることに注目してください。[Enter]を押して選択文字を削除して、次に[Enter]を再度押して、コマンドを終了します。
  28. ベクトル文字を選択して右クリックし、[プロパティ]をクリックして文字の[幅係数]0.8 に変更します。
  29. 必要な場合は、寸法値を寸法線の中央に移動します。
  30. [ラスター ペン設定]ダイアログ ボックスを開くには、 [イメージ][合成][ラスター ペン設定]を選択します。
  31. [YELLOW]を選択し、[単位]領域で[AutoCAD]を選択し、[点を指定]ボタンをクリックします。
  32. 垂直の寸法線の幅を示す 2 点を指定します。

    次のサンプルは、新しい寸法値のためのラスター ペンの幅を決定する 2 点を指定する場所を示しています。ベクトル寸法値からラスター文字を作成するときは、文字の線幅がイメージ内の線幅と同程度になるようにします。

  33. [ペン幅]の値が約 0.10 に設定されていることを確認し、[OK]をクリックします。
  34. ベクトル文字を選択して右クリックし、[ベクトルをラスターに合成]をクリックします。
  35. y を入力して、マージ後にベクトル文字を削除します。

    次のサンプルは、元の寸法値を、ベクトル寸法値から作成した新しいラスター文字に置換した後のイメージを示しています。

    ロック プレートの変更を確認する

  36. [表示]メニュー[ビュー管理]を選択します。 現在のビューを TU_lock_plate に設定します。
  37. 部品と寸法値の変更を確認します。

    このサンプルは、修正後のロック プレートと寸法値を示しています。

  38. 変更を保存せずに図面を閉じます。