このサブアセンブリは、既存道路の片側をオーバーレイし、外側車線用に定義されている横断勾配摺り付け勾配を使用して、1 つまたは複数の車線を端に追加します。

アタッチメント ポイントは、[オーバーレイの深さ]がゼロ以外の場合はオーバーレイ層上面の内端、[オーバーレイの深さ]がゼロの場合は拡幅車線の表層の内端にあります。
注: すべての寸法は、特に注記がない限り、メートルまたはフィート単位です。すべての勾配は、「%」記号によりパーセント勾配であることが示されていない限り、底辺 : 高さの比(例、4 : 1)です。
|
パラメータ |
説明 |
タイプ |
既定値 |
|---|---|---|---|
|
制御点のオフセット |
制御点のオフセット。舗装オーバーレイ層の開始点を定義します。 |
数値 |
0.0 |
|
挿入ポイントのオフセット |
拡幅車線の挿入ポイントのオフセット。通常は、既存走行車線の端になります。このパラメータに正の値を指定するとこのサブアセンブリがコリドーまたは制御基線の右側に挿入されます。マイナスの値の場合、左側に挿入されます。詳細は、『Autodesk Civil 3D ユーザ ガイド ヘルプ』のコリドーに関する章の「コリドーの右側および左側にサブアセンブリを挿入する」を参照してください。 |
数値 |
0.0 |
|
オーバーレイの深さ |
制御点における既存の表層の上のオーバーレイの深さ |
数値、正 |
0.100 m 0.30 ft |
|
幅 |
拡幅車線の幅 |
数値、正 |
3.6 m 12.0 ft |
|
表層 1 の深さ |
車線拡幅部の表層 1 の厚み。省略する場合はゼロ。 |
数値、正 |
0.025 m 0.083 ft |
|
表層 2 の深さ |
車線拡幅部の表層 2 の厚み。省略する場合はゼロ。 |
数値、正 |
0.025 m 0.083 ft |
|
基層の深さ |
車線拡幅部の基層の厚み |
数値、正 |
0.100 m 0.333 ft |
|
路盤の深さ |
車線拡幅部の路盤層の厚み |
数値、正 |
0.300 m 1.0 ft |
このセクションでは、図面のサーフェス、線形、縦断オブジェクトなど、1 つまたは複数のターゲット オブジェクトにマッピングすることが可能なサブアセンブリのパラメータを一覧表示します。詳細については、「コリドー ターゲットを指定するには」を参照してください。
|
パラメータ |
説明 |
ステータス |
|---|---|---|
|
既存サーフェス |
既存の道路を定義するサーフェスの名前。ターゲットとして使用できるオブジェクト タイプはサーフェスです。 |
必須 |
|
制御点のオフセット |
[制御点のオフセット]の固定値を変更し、ポイントとオフセット線形を繋ぐ場合に使用します。このオフセットを指定するターゲットとして、線形、ポリライン、計画線、および測量図形の各オブジェクト タイプが使用できます。 |
オプション |
|
挿入ポイントのオフセット |
[挿入ポイントのオフセット]の固定値を変更し、ポイントとオフセット線形を繋ぐ場合に使用します。このオフセットを指定するターゲットとして、線形、ポリライン、計画線、および測量図形の各オブジェクト タイプが使用できます。 |
オプション |
|
幅 |
拡幅車線の幅の固定値を変更し、車線の端とオフセット線形を繋ぐ場合に使用します。このオフセットを指定するターゲットとして、線形、ポリライン、計画線、および測量図形の各オブジェクト タイプが使用できます。 |
オプション |
|
パラメータ |
説明 |
タイプ |
|---|---|---|
|
% 勾配 |
既存サーフェス上サンプル ポイントから挿入ポイントまでの計算済み勾配 |
数値 |
外側車線の横断勾配摺り付けが、現在の制御点の線形プロパティから取得されます。次に、制御点のオフセットにおける既存サーフェスの標高が決定されます。
[オーバーレイの深さ]にゼロ以外を指定している場合、そのオーバーレイの深さが制御点で適用されます。オーバーレイ層の上面が、挿入ポイントのオフセットまで横断勾配摺り付け勾配で延長されます。次に、制御点と挿入ポイント間の既存サーフェス上に 1 つ以上のリンクを重ね、両端に垂直リンクを挿入することで、オーバーレイ シェイプが閉じられます。横断勾配摺り付け勾配と指定した幅に基づき、拡幅車線がオーバーレイ サーフェスの端から外側に延長されます。
[オーバーレイの深さ]がゼロの場合は、横断勾配摺り付け勾配と指定した幅に基づき、拡幅車線が既存サーフェスの挿入ポイントのオフセットから外側に延長されます。
拡幅車線部の両端に垂直リンクが挿入され、舗装層が閉じられます。また、路盤の内端から既存のサーフェスまで、1 つの垂直リンクが挿入されます。
レイアウト モードの場合、このサブアセンブリは任意のポイントにアタッチできます。オーバーレイ層が、幅 3.6 メートルまたは 12 フィート、勾配 -2% で延長され、一定の深さを持つものとして表示されます。[オーバーレイの深さ]がゼロの場合、オーバーレイは 1 本のリンクとして表示されます。また、拡幅車線は、勾配 -2% でオーバーレイの端から延長されます。
コリドー モデル モードの場合、選択した制御点、挿入ポイント、横断勾配摺り付け勾配、および既存サーフェスに合わせてシェイプが調整されます。

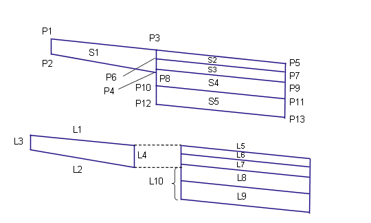
次の表は、このサブアセンブリのポイント、リンク、およびシェイプ コードのうち、コードが割り当てられているものを一覧表示しています。このサブアセンブリのポイント、リンク、シェイプ コードのうち、コードが割り当てられていないものは表に含まれません。
|
ポイント、リンク、またはシェイプ |
コード |
説明 |
|---|---|---|
|
P5 |
ETW |
表層上における拡幅車線の外側の端 |
|
P7 |
ETW_Pave1 |
表層 1 上における拡幅車線の外側の端 |
|
P9 |
ETW_Pave2 |
表層 2 上における拡幅車線の外側の端 |
|
P11 |
ETW_Base |
基層上における拡幅車線の外側の端 |
|
P13 |
ETW_Sub |
路盤上における拡幅車線の外側の端 |
|
L1、L5 |
Top、Pave |
表層サーフェス |
|
L2 |
Overlay |
既存サーフェス上のリンクで重なる部分。ポイント P3 と P4 の間は、リンクが重なっている場合があるので注意してください。 |
|
L6 |
Pave1 |
|
|
L7 |
Pave2 |
|
|
L8 |
Base |
|
|
L9 |
SubBase、Datum |
|
|
L10 |
Datum |
|
|
S1 |
Overlay |
オーバーレイと既存車線の間にある領域 |
|
S2 |
Pave1 |
|
|
S3 |
Pave2 |
|
|
S4 |
Base |
|
|
S5 |
SubBase |
