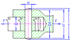
推奨値:
d = (0.2 -0.3) D
D 1 = (1.5 - 2) D - 鋼鉄および鋳鋼の場合
D 1 = 2.5 D - ねずみ鋳鉄の場合
有効ピン長さ
ピンの有効な長さ l f は、面取りおよびフィレットを行うことで短くなります。有効長さは通常、荷重を支えます。
式
せん断応力チェック
接触圧力チェック
記号の説明(メートル単位):
| τ |
せん断応力[MPa] |
|
τ A |
許容せん断応力[MPa] |
|
d |
ピン径[mm] |
|
p 1 |
ドローロッドにおける圧力[MPa] |
|
p 2 |
スリーブにおける圧力[MPa] |
|
p 1A |
スリーブにおける許容圧力[MPa] |
|
p 2A |
ドローロッドにおける許容圧力[MPa] |
|
D |
ドローロッドの直径[mm] |
|
D 1 |
スリーブ径[mm] |
記号の説明(英国単位):
| τ |
せん断応力[psi] |
|
τ A |
許容せん断応力[psi] |
|
d |
ピン径[インチ] |
|
p 1 |
ドローロッドにおける圧力[psi] |
|
p 2 |
スリーブにおける圧力[psi] |
|
p 1A |
スリーブにおける許容圧力[psi] |
|
p 2A |
ドローロッドにおける許容圧力[psi] |
|
D |
ドローロッドの直径[インチ] |
|
D 1 |
スリーブ径[インチ] |