鉄筋カプラーを配置する
継手カプラーを使用して、接合された鉄筋インスタンスや隣接する鉄筋インスタンスを結合することができます。
ビデオ: 鉄筋カプラーを配置する
[構造]タブ
[鉄筋]パネル
[鉄筋カプラー]をクリックします。
継手カプラーの配置方法を選択します。
[修正 | 挿入 鉄筋カプラー]タブ
[配置オプション]パネル
[鉄筋端部に配置]
[修正 | 鉄筋カプラーを挿入]タブ
[配置オプション]パネル
[2 つの鉄筋間に配置]
プロパティ パレット上部のタイプ セレクタで、対象の鉄筋カプラー タイプを選択します。接合を作成するには、カプラーのサイズが鉄筋のサイズと一致している必要があります。
鉄筋にカプラーを配置します。
鉄筋端部に配置するには、対象の鉄筋端部を選択します。
2 つの鉄筋間に配置するには、2 つの有効な鉄筋インスタンスを選択します。カプラーに合わせて、選択した 2 番目の鉄筋の位置が調整され、長さが短くなります。
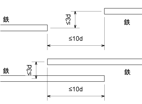
カプラーで 2 つの鉄筋インスタンスを接続するには、接続する 2 つの端部間の距離が、鉄筋径の 10 倍以下でなければいけません。鉄筋径の 3 倍の距離を超えて、各鉄筋をオフセットすることはできません。
カプラー配置の許容値
親トピック:
鉄筋カプラー
関連概念
概要 - 鉄筋カプラー
配筋の端部処理について
関連タスク
鉄筋セットを配置する
ビデオ: 鉄筋カプラーを配置する
関連資料
鉄筋カプラーのインスタンス プロパティ
鉄筋カプラー タイプ プロパティ
鉄筋カプラー ファミリのパラメータ
関連情報
鉄筋カプラーを修正する