DWG 파일로 저장된 회로를 다시 사용합니다.
AutoCAD WBlock 명령을 사용하여 디스크에 회로를 저장하는 방식으로 회로를 저장하고 삽입할 수도 있습니다. 선택된 저장 회로를 찾아서 활성 도면에 삽입하는 데에는 별도의 회로 삽입 명령이 사용됩니다. 이 방법을 사용하면 회로 수의 제한 없이 회로를 구성하고 디스크에 저장할 수 있습니다. 이러한 회로는 공유 하위 폴더 세트로 배열되므로 회로 삽입 명령을 사용하여 쉽게 찾아보고 검색할 수 있습니다.
WBlock을 사용하여 회로 저장
삽입 기준점 지정:
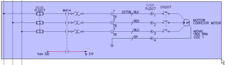
선 연계 207에서 왼쪽 수직 버스와 상단 수평 와이어가 교차하는 점을 선택합니다.

객체 선택: 왼쪽에서 오른쪽으로 전체 회로 주위를 윈도우 영역으로 선택한 다음 마우스 오른쪽 버튼을 클릭합니다.

WBlock된 회로 삽입


을 클릭합니다. 찾기
모든 선을 와이어 도면층으로 이동
모든 소스 화살표 유지
필요에 따라 회로의 문자 도면층 업데이트
확인을 클릭합니다.
삽입점 지정: 도면에서 빈 지점을 선택합니다.
고정으로 설정되지 않은 상위 구성요소 태그는 삽입점에 따라 자동으로 재지정됩니다. 이는 아이콘 메뉴 방법을 사용하여 회로를 삽입할 때의 동작과 같습니다.