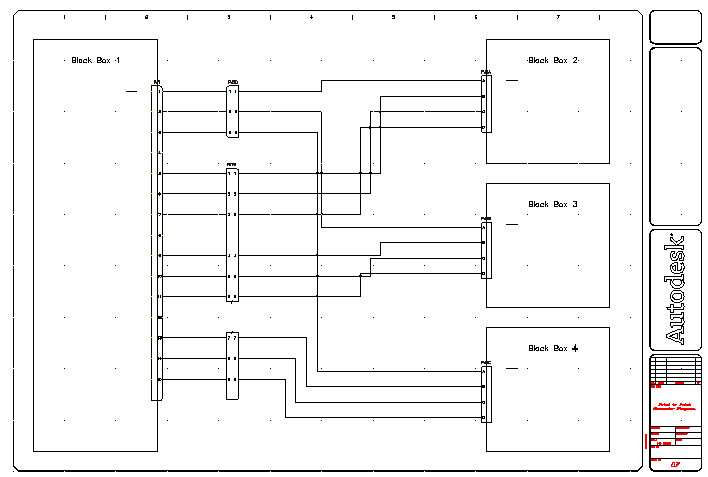
기존 와이어를 따라 커넥터를 삽입합니다.
이제 커넥터를 함께 와이어 연결했으므로 인라인 커넥터를 삽입하여 와이어 그룹을 만들어야 합니다.
인라인 커넥터 삽입


을 클릭합니다. 찾기
핀 간격: 1.0
핀 개수: 3
와이어 교차 지점에
핀 리스트: 1
전체 삽입

삽입점 지정 또는 [Z=줌, P=초점이동, X=와이어 교차, V=수평/수직, Tab=반전(Flip)]:
커넥터를 선택하여 PJ1의 핀 1~3에 연결된 와이어에 배치합니다.



을 클릭합니다. 찾기
핀 간격: 1.0
핀 개수: 9
와이어 교차 지점에
핀 리스트: 1
스페이서/구분선 허용
삽입점 지정 또는 [Z=줌, P=초점이동, X=와이어 교차, V=수평/수직, Tab=반전(Flip)]:
커넥터를 선택하여 PJ1의 핀 5에 커넥터 시작을 배치합니다.
와이어를 교차할 때 커넥터를 확장하는 방법을 확인합니다.
지금까지 삽입한 커넥터 핀이 대화상자에 표시됩니다. 다음 연결 삽입을 계속 클릭하여 9개의 연결 중 6개를 배치합니다.

삽입점 지정 또는 [Z=줌, P=초점이동, X=와이어 교차, V=수평/수직, Tab=반전(Flip)]:
커넥터를 선택하여 PJ1의 핀 13에 커넥터 시작을 배치합니다.




를 클릭합니다. 찾기
구성요소를 연결할 시작 위치: PJ6(1)의 맨 아래 부분을 선택합니다.
구성요소를 연결할 대상 위치: PJ6(2)의 맨 위 부분을 선택하고 마우스 오른쪽 버튼을 클릭합니다.
