회로를 새 위치로 이동하고 모든 관련 구성요소를 업데이트합니다.
도면이 참조 기반 구성요소 태깅을 사용하도록 설정되어 있으므로 회로를 이동하는 경우 회로에 포함된 대부분의 상위 구성요소의 태그가 자동으로 재지정됩니다. 회로를 이동하는 중 이동되는 구성요소의 참조 위치를 변경할 수 있습니다. 관련 하위 구성요소는 프로젝트의 다른 도면에 대한 참조를 포함하여 새 상위 태그와 일치하도록 업데이트됩니다.
회로 위치 이동

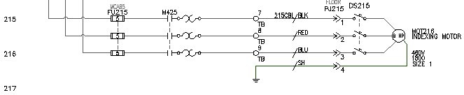
이 회로에는 다음과 같은 구성요소 태그가 있습니다.


을 클릭합니다. 찾기
객체 선택:
선 연계 215에 있는 회로를 윈도우 선택하여 수직 버스에 연결된 연결 와이어와 점을 캡처한 다음 마우스 오른쪽 버튼을 클릭합니다.

F9 키를 눌러 SNAP를 켭니다.
기준점 또는 변위 지정:
기본점을 선택한 다음 선 연계 214에서 한 점을 선택합니다.
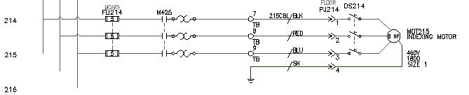
회로가 이동되고 영향을 받은 구성요소의 태그가 다시 지정되며 새 선 연계를 기준으로 상호 연계가 업데이트됩니다. 나열된 각 상위 구성요소 태그 번호가 1씩 감소합니다. 예를 들어, 퓨즈 FU215가 FU214가 됩니다.


활성 도면의 관련 하위 참조는 새롭게 다시 태깅된 상위 구성요소와 일치하도록 업데이트됩니다.
관련 하위 구성요소와 다른 도면에 대한 패널 배치 참조는 이동된 회로의 상위 구성요소와 일치하도록 업데이트됩니다.


을 클릭합니다. 찾기
검색 대화상자는 시트 2에 대한 참조 3개와 시트 9에 대한 참조 하나를 표시합니다.
검색 도구가 패널 배치 도면으로 이동하여 이 3극 퓨즈의 물리적 표현을 확대합니다. 회로가 이동되었기 때문에 퓨즈 블록 태그의 물리적 표현이 업데이트되었습니다.
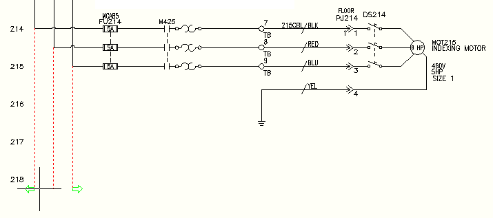
모터 회로를 하나의 선 연계 간격만큼 위로 이동하면 이 모터 회로 아래 새 회로를 추가할 약간 더 큰 공간이 생깁니다. 다음 단계에서는 3상 버스를 선 연계 218 아래로 확장한 다음 다시 오른쪽으로 확장하여 새 모터 회로 빌드를 시작합니다.
3상 버스 확장

를 클릭합니다. 찾기
펜스(F)/교차(C)/줌 범위(Z)/<자를 와이어 선택>:
매달린 와이어 3개의 맨 아래 끝을 클릭한 다음 마우스 오른쪽 버튼을 클릭합니다.

수직 또는 수평 3상 와이어를 삽입할 수 있습니다. 3상 와이어는 자동으로 끊어지고 해당 경로에 있는 기본 구성요소로 다시 연결됩니다. 기존 와이어를 교차할 경우에는 와이어 교차 간격이 삽입됩니다.

를 클릭합니다. 찾기
수평 간격: 0.5
수직 간격: 0.5
시작 위치: 다른 버스(다중 와이어)
와이어 수: 3

다중 위상 버스 연결을 시작하려면 기존 와이어 선택:
그림과 같이 선 연계 214에서 가장 왼쪽에 있는 수직 버스의 맨 아래 구석을 선택합니다.

다중 위상 버스 연결을 시작하려면 기존 와이어 선택: 끝
선 연계 218까지 커서를 아래로 끕니다.
확장된 버스에 대한 권장 라우팅을 보여 주는 임시 그래픽이 표시됩니다.

도면에 3상 버스와 와이어 연결점 기호가 삽입됩니다.
