Można utworzyć kilka typów wymiarów dla różnych typów obiektów w wielu orientacjach i wyrównaniach.
Podstawowe typy wymiarowania: liniowe, promieniowe, kątowe, współrzędnościowe i długość łuku. Użyj polecenia WYMIAR, aby automatycznie tworzyć wymiary zgodnie z typem obiektu, który ma zostać zwymiarowany.
Wygląd wymiarów można kontrolować przez ustawienie stylów wymiaru lub edycję poszczególnych wymiarów w szczególnych przypadkach. Style wymiaru pozwalają na szybkie określenie konwencji i utrzymanie przyjętych w projekcie lub w branży standardów wymiarowania.
Wymiary liniowe mogą być poziome, pionowe lub dopasowane. Za pomocą polecenia WYMIAR można tworzyć wyrównane wymiary poziome lub pionowe, w zależności od ruchu wskaźnika podczas wstawiania tekstu.


Wymiar promieniowy mierzy promień lub średnicę łuków i okręgów za pomocą opcjonalnej osi symetrii lub znacznika środka. Kilka opcji jest wyświetlanych na rysunku.

Wymiary kątowe mierzą kąt między dwoma wybranymi obiektami geometrycznymi lub trzema punktami. Od lewej do prawej przykład pokazuje wymiary kątowe utworzone przy użyciu wierzchołka i dwóch punktów, łuku oraz dwóch linii.

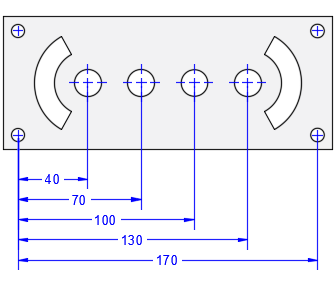
Wymiary współrzędnościowe mierzą odległości prostopadłe od punktu początkowego nazywanego odniesieniem, na przykład otworu w części. Wymiary te zapobiegają narastaniu błędów przez utrzymanie odpowiednich odsunięć elementów od punktu odniesienia.

W tym przykładzie odniesienie (0,0) jest wskazane jako otwór w lewym dolnym rogu panelu na ilustracji.
Wymiary długości łuku określają długość łuku lub segmentu łukowego polilinii. Typowe zastosowania wymiarów długości łuku to określanie długości skoku krzywki lub długość kabla.
Aby odróżnić je od wymiarów liniowych lub kątowych, wymiary długości łuku wyświetlane są domyślnie z symbolem łuku. Symbol łuku, zwany również nakładką, jest wyświetlany nad lub przed tekstem wymiarowym.

Wymiary szeregowe, zwane również łańcuchowymi, to wiele wymiarów stykających się ze sobą.

Wymiary od bazy to wiele wymiarów zaczynających się z tego samego miejsca z odsunięciem linii wymiarowych.

Linie odniesienia, komponenty wymiarowania i obiekty tekstowe określają ich kierunki poziome i pionowe od osi LUW podczas tworzenia. Jeśli widok w rysunku zostanie obrócony, można najpierw należy użyć opcji LUW/Widok, aby ustawić kierunki poziome i pionowe względem rysunku zamiast widoku obróconego.