Uma tabela é uma tabela que contém as coordenadas de objetos específicos em um modelo:

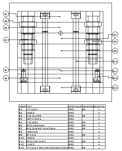
ou uma Lista de Materiais (LDM); uma tabela de componentes/ submontagens utilizadas por uma montagem:

Se você tiver o Microsoft Excel instalado, tabelas embutidas serão criadas.
É possível criar tabelas para:
Você também pode anexar legendas para adicionar mais entradas.