Opções de anotação

Anotação é o texto de dimensão :

Utilize a página Anotação para alterar as opções de anotação:

Estilo — Selecione um estilo de linha da lista

Fonte — Selecione a fonte a ser utilizada para a anotação.

Texto inserido — Selecione essa opção para embutir o texto na linha de chamada.

Texto horizontal — Selecione essa opção para posicionar o texto horizontalmente ao plano principal.

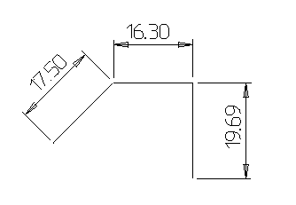
Suponha que dimensões estejam inclinadas como mostrado abaixo:

Quando o texto é alterado para horizontal, as dimensões se parecem com isso:

Espaçamento — Edita o espaço entre a linha de chamada e o texto:

Frações — Converte a parte decimal da dimensão numa fração, por padrão o oitavo mais próximo.

Denominador da fração — Configura o denominador da fração para um valor particular. Isso é útil caso você deseje comparar valores de dimensão.

Altura do Caractere — Edita a altura do texto.

Passo — Configura o espaço entre os caracteres.

Caracteres Proporcionais — (somente fonte Duct) Quando selecionado, o espaço ocupado por cada caractere não é fixo.

Formato do Ângulo — Modifica a maneira como uma dimensão angular é exibida. Você pode configurar o Formato do Ângulo para exibir todas as dimensões angulares como um dos seguintes:

Casas decimais — Casas decimais refere-se ao número de dígitos impressos após o ponto decimal. Por padrão, os números são impressos com duas casas decimais.

Remover Zeros à Direita — Selecione essa opção para remover qualquer zero à direita do ponto decimal da anotação de dimensão. Essa opção está inativa por padrão.

Opções de Dimensão Múltipla — As opções a seguir são para dimensões por ponto de referência, cadeia e ordenada: